Портальный Фрезер 20х15 см на печатных деталях.
- Lenivo
- Сообщения: 1817
- Зарегистрирован: 25 май 2017, 12:46
- Имя: Александр
- Благодарил (а): 92 раза
- Поблагодарили: 179 раз
Re: Портальный Фрезер 20х15 см на печатных деталях.
Чёт меня торкнула эта тема..... Нашёл в запасах калиброванную точную бронзовую втулку 8 мм с внутренним 4 мм, а нужно 5 мм было - попробовал в вертикальном сверлильном расточить - убил втулку. Нет, отверстие получил ..... но со смещением.....
Так то конечно мне в жилу Jet -BD3 - 30 длиной и весом 13 кг, но стоит 30 т.р. снимает две десятки за проход..... Патрон у него такой же какой я напечатал - печатал то в основном , чтоб размер оценить - маленький или хватит. 65 мм это нормально уже, а вот на игрушках стоит патрон 48 мм по наружному диаметру.....
Сейчас седлаю макет на пластиковом патроне......посмотрю......Прикину... Можно купить такой патрон металлический - патрон 2700 рублей+ доставка 700-1300 рублей + к нему нужен вал с его резъбой - 1200-1300 + шкив 600-800 рублей+ доставка(?) плюс два нормальных подшипника - вот так 8 т.р-10 т.р набирается можно купить шпиндельный узел - цилиндрический корпус два подшипника-вал ...... можно со шкивом и патроном - 10 т.р, .... но доставка - 6-8 т.р. короче доставка всё портит....... Вроде надо....... начинаешь считать бюджет - а потм как Андрей сказал - сколько втулок можно заказать на эту стоимость - причем тебе нормально сделают, а вот само сможешь ли так расточить тот ещё вопрос .... У нас в России есть два продавца американских хоббийных станков - продают подешеввле ТАЙГ и подороже ШАРЛИН.... причем там можно купить все запчастями по отдельности... Тайг - от 16 т.р. минимальный комплект - к которому нужен патрон, двигатель и куча прибамбасов , а у Шарлина можно сразу работать и вид получше, но всё цены начинаются от 80 т.р.
А на этих игрушках - детишки в Китае проходят обучение в школе - на фото там стоят столы и на них рядам - станков 200 стоит в разных сборках - 30-50 вариантов сборки допускает.... вернее базовых вариантов 10 - а остальное это комбинации из вариантов - развивают техническое мышление - политика партии у них такая. Когда поняли что мозги надо в школе ставить .... тогда отдали приказ и чиновники ринулись исполнять с...... китайской массовостью.
Так то конечно мне в жилу Jet -BD3 - 30 длиной и весом 13 кг, но стоит 30 т.р. снимает две десятки за проход..... Патрон у него такой же какой я напечатал - печатал то в основном , чтоб размер оценить - маленький или хватит. 65 мм это нормально уже, а вот на игрушках стоит патрон 48 мм по наружному диаметру.....
Сейчас седлаю макет на пластиковом патроне......посмотрю......Прикину... Можно купить такой патрон металлический - патрон 2700 рублей+ доставка 700-1300 рублей + к нему нужен вал с его резъбой - 1200-1300 + шкив 600-800 рублей+ доставка(?) плюс два нормальных подшипника - вот так 8 т.р-10 т.р набирается можно купить шпиндельный узел - цилиндрический корпус два подшипника-вал ...... можно со шкивом и патроном - 10 т.р, .... но доставка - 6-8 т.р. короче доставка всё портит....... Вроде надо....... начинаешь считать бюджет - а потм как Андрей сказал - сколько втулок можно заказать на эту стоимость - причем тебе нормально сделают, а вот само сможешь ли так расточить тот ещё вопрос .... У нас в России есть два продавца американских хоббийных станков - продают подешеввле ТАЙГ и подороже ШАРЛИН.... причем там можно купить все запчастями по отдельности... Тайг - от 16 т.р. минимальный комплект - к которому нужен патрон, двигатель и куча прибамбасов , а у Шарлина можно сразу работать и вид получше, но всё цены начинаются от 80 т.р.
А на этих игрушках - детишки в Китае проходят обучение в школе - на фото там стоят столы и на них рядам - станков 200 стоит в разных сборках - 30-50 вариантов сборки допускает.... вернее базовых вариантов 10 - а остальное это комбинации из вариантов - развивают техническое мышление - политика партии у них такая. Когда поняли что мозги надо в школе ставить .... тогда отдали приказ и чиновники ринулись исполнять с...... китайской массовостью.
- Lenivo
- Сообщения: 1817
- Зарегистрирован: 25 май 2017, 12:46
- Имя: Александр
- Благодарил (а): 92 раза
- Поблагодарили: 179 раз
Re: Портальный Фрезер 20х15 см на печатных деталях.
Сдох моторчик. Вдруг заискрил и потерял мощность.
Промер тестером за клеммы стал показывать не равномерное сопротивление обмоток при прокрутке вала, но кз-нет.
Разобрал - блин чтобы ушки отогнуть - полчаса убил и не отогнул - спилил надфилем.
Фото - движок прикольный - запас на щетках приличный. Выработка -0,6 мм на ламелях. Причина - начал пробовать точить - видать какой то абразив попал в движок и сточил медные ламели на роторе. А ламели просто пропилены не залиты - медная пыль набилась между ламелями и стала замыкать - сплавилась в перемычку. Почистил всё заработало.Между клеммами - 9,6-10,2 ома. между соседними ламелями - 5,6 ома.
Блок питания просаживает с 19 вольт до 16 вольт. А когда заглючил -хоть двигатель и крутился, но момента не было и просадка была до 5 вольт.
Промер тестером за клеммы стал показывать не равномерное сопротивление обмоток при прокрутке вала, но кз-нет.
Разобрал - блин чтобы ушки отогнуть - полчаса убил и не отогнул - спилил надфилем.
Фото - движок прикольный - запас на щетках приличный. Выработка -0,6 мм на ламелях. Причина - начал пробовать точить - видать какой то абразив попал в движок и сточил медные ламели на роторе. А ламели просто пропилены не залиты - медная пыль набилась между ламелями и стала замыкать - сплавилась в перемычку. Почистил всё заработало.Между клеммами - 9,6-10,2 ома. между соседними ламелями - 5,6 ома.
Блок питания просаживает с 19 вольт до 16 вольт. А когда заглючил -хоть двигатель и крутился, но момента не было и просадка была до 5 вольт.
- Lenivo
- Сообщения: 1817
- Зарегистрирован: 25 май 2017, 12:46
- Имя: Александр
- Благодарил (а): 92 раза
- Поблагодарили: 179 раз
Re: Портальный Фрезер 20х15 см на печатных деталях.
Пилю потихоньку.
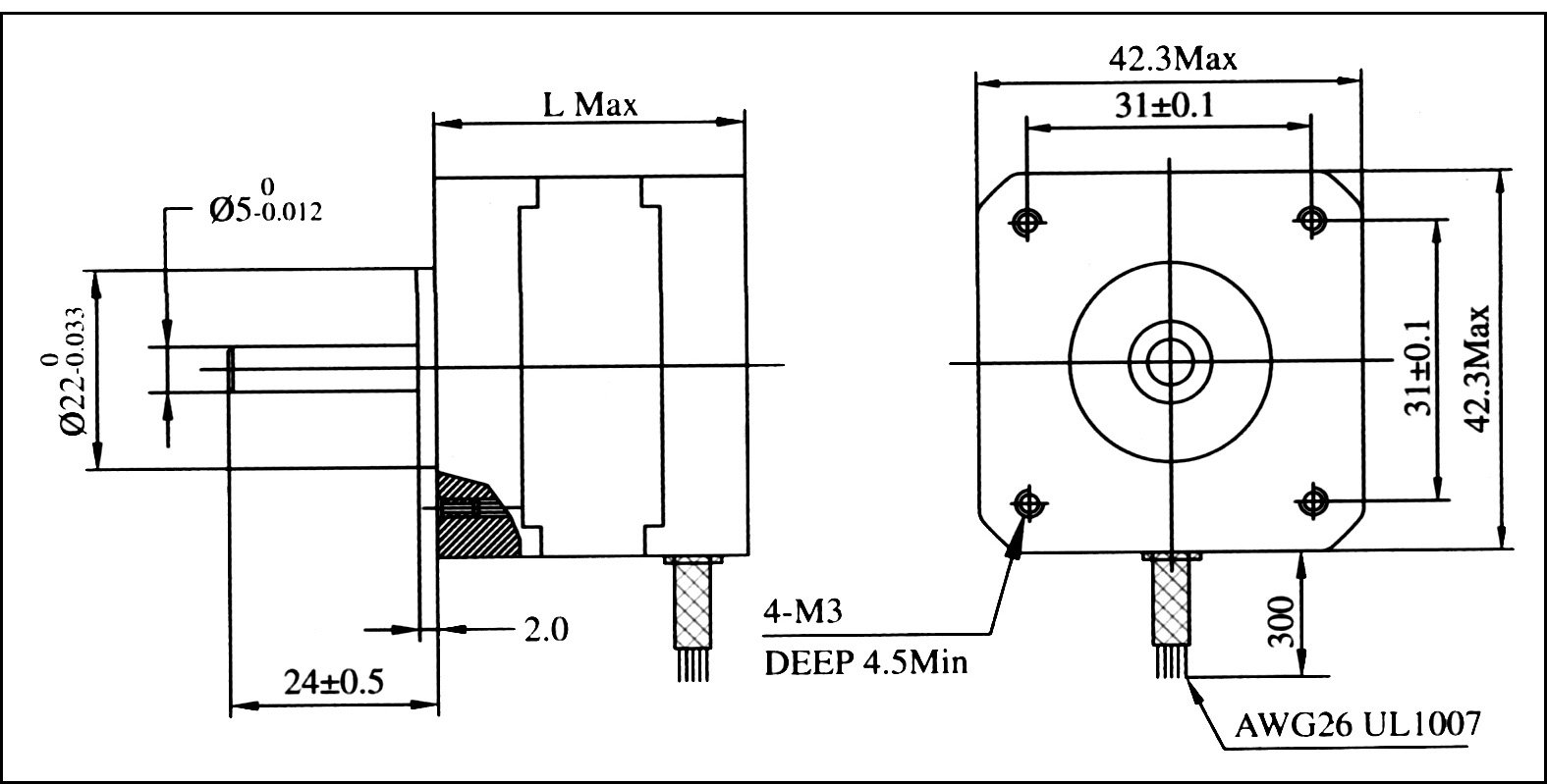
Переделал патрон. Поставил двигатель с валом 5 мм. На прошлом двигателе вал 3,2 мм, а шкивов на 3,2 мм у меня нет.... Самое простое было купить движок с валом 5 мм. Но он без ШИМ не за пускается. на 12 вольтах 6 000 оборотов вот по нему данные
Через шкив - даже за патрон руками не остановишь.... Также ответ на вопрос как пластиковый патрон зажимает - на видео видна заготовка - её немного проточил и отрезал с краю.... Заготовка - пробная модель какая то цилиндрическая из PET-G ..... -
https://youtu.be/GZU-KqY9Llw?t=8
Переделал патрон. Поставил двигатель с валом 5 мм. На прошлом двигателе вал 3,2 мм, а шкивов на 3,2 мм у меня нет.... Самое простое было купить движок с валом 5 мм. Но он без ШИМ не за пускается. на 12 вольтах 6 000 оборотов вот по нему данные
Через шкив - даже за патрон руками не остановишь.... Также ответ на вопрос как пластиковый патрон зажимает - на видео видна заготовка - её немного проточил и отрезал с краю.... Заготовка - пробная модель какая то цилиндрическая из PET-G ..... -
https://youtu.be/GZU-KqY9Llw?t=8
- Lenivo
- Сообщения: 1817
- Зарегистрирован: 25 май 2017, 12:46
- Имя: Александр
- Благодарил (а): 92 раза
- Поблагодарили: 179 раз
Re: Портальный Фрезер 20х15 см на печатных деталях.
Оси ездят. Осталось резцедержку сделать и можно пробовать запускать. Блок управления от фрезера перепрошью на первое время. Поставил жесткие муфты на движки и подшипники с другой стороны на трапеции. Поставил винты- трапеция 8 мм шаг 2 и пружинные антилюфт гайки. В принципе уже ездит с блоком управления от фрезера, только перемещение не по размерам.... Блок для станка лежит, но пока до него руки не дошли.
-
Vikent
- Сообщения: 808
- Зарегистрирован: 31 янв 2019, 23:09
- Имя: Виктор
- Откуда: Королёв
- Благодарил (а): 31 раз
- Поблагодарили: 90 раз
Re: Портальный Фрезер 20х15 см на печатных деталях.
Наблюдаю не дыша.
Это какое-то издевательство над слюнными железами.
Это какое-то издевательство над слюнными железами.
- Lenivo
- Сообщения: 1817
- Зарегистрирован: 25 май 2017, 12:46
- Имя: Александр
- Благодарил (а): 92 раза
- Поблагодарили: 179 раз
Re: Портальный Фрезер 20х15 см на печатных деталях.
Ночью - после окончания печати резцедержки -не выдержал запустил. Вместо резца - сверло для керамической плитки с тведосплавной наплавкой. Так как было 2 часа ночи, то запустил как есть - сверло надо правильно переточить для использования в качестве резца. Но токарный патрон проточил снаружи и заготовку из сплавленного перегретого PET-G тоже проточил. И даже операцию отрезания заготовки выполнил - вместо отрезного резца лезвие от канцелярского ножа - то которое обламывается по мере затупления. Снимет мало - но сколько - это надо блок управления перепошить тогда электронной подачей можно точно резцом управлять - перемещение до соток( в теории) -практически зависит отлюфтов и от жесткости конструкции - делаешь несколько проходов - на одной глубине резания - , а резец даже на четвертом проходе снимает - под глянец...... неправильно заточенной кромкой (вернее заводской заточкой сверла, а не резца).
Дальше надо новую тему завести наверное - Пластиковый токарный станок - с токарным патроном из пластика....
Но как то боязно... с пластиковым патроном работать , наверное куплю стальной патрон - тот с которого была сделана модель для пластикового патрона - около 4 т.р с доставкой выходит - 2,5-3,5 т.р. сам патрон и доставка от 800 - до 2 т.р., но к нему нужен ещё вал с резьбой или есть модели переходника из пластика на текущий вал..
Но вот определиться надо ли это ..... можно и на текущем варианте.
Рабочий ход по осям
По Х - ход суппорта 100 мм, а ход резца в текущем варианте (патрон есть возможность проточить) - от кулачков патрона до ограничения хода - 60 мм..... но если переставить резце держатель на другое крепление то можно и все 100 мм выбрать но нужно заднюю бабку делать.
По У - ход каретки 90 мм - то есть ход больше, чем расстояние от центра до осей - ограничение только по диаметру зажима. Для чего такой большой ход сделан - чтобы можно было установить фрезерный электро шпиндель - у меня как раз две штуки разных есть - можно сделать делительную головку или вместо ходового двигателя постоянного тока установить шаговик- конструктивно возможность предусмотрена..... Но вот надо с программным обеспечением разбираться.
- Lenivo
- Сообщения: 1817
- Зарегистрирован: 25 май 2017, 12:46
- Имя: Александр
- Благодарил (а): 92 раза
- Поблагодарили: 179 раз
Re: Портальный Фрезер 20х15 см на печатных деталях.
Первая стружка
Токарный станок из пластика. Напечатан на 3D принтере. Токарный патрон 63 мм. Взял готовую модель на Твинге и немного доработал....Мотор постоянного тока 895. со шкивом 1 к 3. Обороты регулируются от 50 до 2000 оборотов в минуту. Усилие на 2000 оборотах около 12 кг на см. Первая стружка. Резец - сверло с твердосплавной накладкой для керамической плитки.
https://youtu.be/OasWH6f3VNc
Операция отрезания - Резец -лезвие от канцелярского ножа.
https://youtu.be/0Nfmi2xMiH0
Токарный станок из пластика. Напечатан на 3D принтере. Токарный патрон 63 мм. Взял готовую модель на Твинге и немного доработал....Мотор постоянного тока 895. со шкивом 1 к 3. Обороты регулируются от 50 до 2000 оборотов в минуту. Усилие на 2000 оборотах около 12 кг на см. Первая стружка. Резец - сверло с твердосплавной накладкой для керамической плитки.
https://youtu.be/OasWH6f3VNc
Операция отрезания - Резец -лезвие от канцелярского ножа.
https://youtu.be/0Nfmi2xMiH0
- Lenivo
- Сообщения: 1817
- Зарегистрирован: 25 май 2017, 12:46
- Имя: Александр
- Благодарил (а): 92 раза
- Поблагодарили: 179 раз
Re: Портальный Фрезер 20х15 см на печатных деталях.
Протачиваем гвоздь - сотку. Тут самая главная проблема , чтобы гвоздь не грелся , а то расплавятся кулачки.
На фото видно кулачки надо протачивать.
Медленно, по полдесятки, с маслом. на оборотах 500. На больших оборотах входит в резонанс.... Но проточил.
Хотя железо этого гвоздя пилится ножовкой на раз-два. Если брать больше, - то все выгибает - оси прогибаются, резец за летает под гвоздь...... а двигатель продолжает крутить, пока не тормознёшь.
На фото видно кулачки надо протачивать.
Медленно, по полдесятки, с маслом. на оборотах 500. На больших оборотах входит в резонанс.... Но проточил.
Хотя железо этого гвоздя пилится ножовкой на раз-два. Если брать больше, - то все выгибает - оси прогибаются, резец за летает под гвоздь...... а двигатель продолжает крутить, пока не тормознёшь.
Последний раз редактировалось Lenivo 25 янв 2021, 15:33, всего редактировалось 2 раза.
- 3D-SPrinter
- Сообщения: 11033
- Зарегистрирован: 19 ноя 2015, 14:23
- Имя: Андрей
- Откуда: Н.Новгород
- Благодарил (а): 78 раз
- Поблагодарили: 1040 раз
- Контактная информация:
Re: Портальный Фрезер 20х15 см на печатных деталях.
Офигеть!
Надо пластиковые заготовки со 100% заполнением печатать для такого станочка и их обтачивать.
-
Vikent
- Сообщения: 808
- Зарегистрирован: 31 янв 2019, 23:09
- Имя: Виктор
- Откуда: Королёв
- Благодарил (а): 31 раз
- Поблагодарили: 90 раз
Re: Портальный Фрезер 20х15 см на печатных деталях.
Соседей не жалко?
если есть задачи, то почему нет?
Это в автоматическом режиме? Холостые ходы очень уж медленные - это софт пока до ума не доведён?
Хотел было предложить алюмишку подсунуть на пробу, а тут гвоздь. Проточил. Нельзя же так сразу.
Для пластмассового станочка, да с пластмассовым самопечатным патроном, очень даже впечатляюще.
Остаётся один вопрос - выдерживаемая точность (повторяемость) с оглядкой на жёсткость полученной конструкции.
- Lenivo
- Сообщения: 1817
- Зарегистрирован: 25 май 2017, 12:46
- Имя: Александр
- Благодарил (а): 92 раза
- Поблагодарили: 179 раз
Re: Портальный Фрезер 20х15 см на печатных деталях.
Станок работает очень тихо - это не дрель. В другой комнате при открытой двери уже не слышно.
Нет , это в ручном режиме. В автономном блоке - можно только по месту резец подводить...... Ездит быстро.... а как готовить коды для токарника я ещё не освоил.... фрезерная и лазерные программы тут не подойдут. Плюс надо понимать хоть какие то параметры станка для старта - скорость подачи, глубина резания, скороть шпинделя - в ручном режиме это можно понять на "ощупь". Ну самое главное понять - оно вообще "токарит" или нет...... надо ли дальше продолжать..... Про многие компоненты станка я нашёл информацию, а вот про резце держку из пластика ни у кого не было - все ставили покупные с Алиэкспресса .... как и патроны.... Резцов планировал на блошином рынке купить.... но в воскресенье у нас было "-35", поэтому народ просто не пришёл торговать.... Кстати сейчас "0". Перепад температуры 35 градусов за сутки
Нужно проточить внутреннюю - прижимную поверхность кулачков.
Мыслей много - можно делительную головку сделать легко и фрезерный шпиндель приделать. Можно сделать ось Z с тисками и получить ЧПУ горизонтальный НИЗКО СКОРОСТНОЙ фрезер.... причем скорость можно понизить передачей ремнём ещё три раза, а остальное за счёт регулятора оборотов. Можно двигатель токарного патрона заменить на шаговый - и получить 5 координатный станок.
Можно Вместо токарного патрона сделать цилиндр для шкурки и получить плоско шлифовальный - надвижка и перемешение для шлифовки уже сейчас можно делать - только надо придумать как заготовку крепить..... и какую заготовку......
Проточил фторопластовую втулку - в свое время не мог её нормально изготовит из заготовки, а тут использованный вариант проточил. - Фторопластовая гайка на ходовой винт из 8мм строительной шпильки. - Но это сношенная гайка - резьба срезана была. Но как пробная заготовка для обработки фторопласта.... Ну можно будет переточить на подшипник скольжения потом будет....
.. Про точность - при перестановке заготовки на 180 градусов для торцовки другой стороны - получилось смешение - видна полоса по середине , по высоте.... Но я рад - фторопластовые втулки я могу точить прямо сейчас и растачивать у них внутреннее отверстие
Можно туже спираль для токарного патрона фрезерной головкой профрезеровать - и получится точнее чем на вертикальном портальном фрезере. Но дешевле её просто купить - дешевле, быстрее и лучше будет.
- Lenivo
- Сообщения: 1817
- Зарегистрирован: 25 май 2017, 12:46
- Имя: Александр
- Благодарил (а): 92 раза
- Поблагодарили: 179 раз
Re: Портальный Фрезер 20х15 см на печатных деталях.
Выкладываю модели для станка с патроном под вал 8 мм
Спойлер
- Lenivo
- Сообщения: 1817
- Зарегистрирован: 25 май 2017, 12:46
- Имя: Александр
- Благодарил (а): 92 раза
- Поблагодарили: 179 раз
Re: Портальный Фрезер 20х15 см на печатных деталях.
Работа под управлением автономного контроллера в режиме ручного позиционирования.
https://youtu.be/CHFaflPIDX8
https://youtu.be/CHFaflPIDX8
-
Vikent
- Сообщения: 808
- Зарегистрирован: 31 янв 2019, 23:09
- Имя: Виктор
- Откуда: Королёв
- Благодарил (а): 31 раз
- Поблагодарили: 90 раз
Re: Портальный Фрезер 20х15 см на печатных деталях.
Видео громкое получилось. Я в электричке на старте громкость сбрасывал.
Кстати, интересный вариант применения. Но только тогда уже камень а не шкурку - с ней это больше полировальный будет. . На работе плоскошлиф Jung стоит, пользуюсь иногда. А если кусок скотчбрайта ставить, можно будет алюминию придавать равномерную матовость - как на лицевых панелях радиоаппаратуры когда-то делалось, до тотальной замены морд на пластиковые.
Так себе вариант. Капролон в этом качестве работает гораздо лучше. На работе на одном из станков как раз фторопластовая втулка в качестве подшипника стояла в направляйте отрезного ножа. Бегала по валу диаметром 8 мм. в режиме 60-80 циклов в минуту 24*7. Токарь менял её ежемесячно - разбивало отверстие. Я предложил сделать из капролона, что поначалу вызывало у него сильные сомнения. Но сделал. В итоге про ежемесячную замену забыли надолго.
