Обсуждение сварщика из темы PetPull
Модератор: Robert Sa
-
Robert Sa
- Сообщения: 578
- Зарегистрирован: 30 май 2017, 14:20
- Имя: Robert
- Откуда: Ереван
- Благодарил (а): 42 раза
- Поблагодарили: 62 раза
- Контактная информация:
Re: PetPull - cтанок для производства филамента из PET бутылок
Обсудим данное предложение коллеги?
Идея не моя, но я ее поддерживаю ее на 90% так как именно таким приблизительно образом вариться опто нить теклекомов.
И так, какие подводные камни видите?
ВВ катушка от зажигания авто , развивает до 35кв в импульсе/12в
Конструкция сварщика ленты должна быть зажата между двумя стеклами толщиной 4мм.
для пробоя воздушного зазора длиной в 11мм достаточно 1100в, 35Кв будет я думаю достаточно чтоб развить тепло которое расплавит за очень короткое время ПЭТ ленту и ее надо очень быстро прижать. Такая вот концепция в оптосварщиках.
Идея не моя, но я ее поддерживаю ее на 90% так как именно таким приблизительно образом вариться опто нить теклекомов.
И так, какие подводные камни видите?
ВВ катушка от зажигания авто , развивает до 35кв в импульсе/12в
Конструкция сварщика ленты должна быть зажата между двумя стеклами толщиной 4мм.
для пробоя воздушного зазора длиной в 11мм достаточно 1100в, 35Кв будет я думаю достаточно чтоб развить тепло которое расплавит за очень короткое время ПЭТ ленту и ее надо очень быстро прижать. Такая вот концепция в оптосварщиках.
- Вложения
-
- cats.jpg (108.04 КБ) 13123 просмотра
-
- cats.jpg (97.02 КБ) 13125 просмотров
3д Printer 3D-OPEX-G3
Format: A4
Разрешение: 50 микрон
Крейсерские скорости печати: 110,200,250мм/сек
Hotend: Nautilus-1D (водяное охлаждение)
Сопло: 0,35mm
Сеть поддержка: IP, WiFi,client Octoprint(modified)
Format: A4
Разрешение: 50 микрон
Крейсерские скорости печати: 110,200,250мм/сек
Hotend: Nautilus-1D (водяное охлаждение)
Сопло: 0,35mm
Сеть поддержка: IP, WiFi,client Octoprint(modified)
-
Rubistar
- Сообщения: 45
- Зарегистрирован: 29 апр 2020, 21:21
- Имя: Алексей
- Откуда: Волгоградская обл.
- Благодарил (а): 10 раз
- Поблагодарили: 3 раза
Re: PetPull - cтанок для производства филамента из PET бутылок
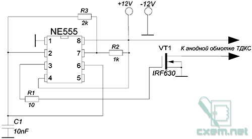
Идея хорошая - нужно пробовать. Если уж сваривает стекловолокно, то ПЭТ тоже по идее должно плавить. По моему мнению - вместо автомобильной катушки зажигания лучше всего применить ТДКС строчный трансформатор от телевизоров, мониторов.
73! UA4AU
-
Robert Sa
- Сообщения: 578
- Зарегистрирован: 30 май 2017, 14:20
- Имя: Robert
- Откуда: Ереван
- Благодарил (а): 42 раза
- Поблагодарили: 62 раза
- Контактная информация:
Re: PetPull - cтанок для производства филамента из PET бутылок
катушка зажигание мощнее, хочется все сделать простым и надежным , к ТДКС надо еще и плату мультика придумать собрать, испытать, такие штуки опасно в народ выпускать, катушка зажигания простая и понятная штука , главное мощная в импульсе, может развить я думаю необходимую Т в дуге. ПЭТ и стекловолокно связи имеют очень разные площади по сечению которые необходимо согреть.
У кого какие еще мысли на данный счет коллеги?
3д Printer 3D-OPEX-G3
Format: A4
Разрешение: 50 микрон
Крейсерские скорости печати: 110,200,250мм/сек
Hotend: Nautilus-1D (водяное охлаждение)
Сопло: 0,35mm
Сеть поддержка: IP, WiFi,client Octoprint(modified)
Format: A4
Разрешение: 50 микрон
Крейсерские скорости печати: 110,200,250мм/сек
Hotend: Nautilus-1D (водяное охлаждение)
Сопло: 0,35mm
Сеть поддержка: IP, WiFi,client Octoprint(modified)
-
Rubistar
- Сообщения: 45
- Зарегистрирован: 29 апр 2020, 21:21
- Имя: Алексей
- Откуда: Волгоградская обл.
- Благодарил (а): 10 раз
- Поблагодарили: 3 раза
Re: PetPull - cтанок для производства филамента из PET бутылок
Да чего там сложного то? Вам к катушке тоже надо делать генератор. Схема одна и та же.Robert Sa писал(а): ↑16 июл 2020, 17:07катушка зажигание мощнее, хочется все сделать простым и надежным , к ТДКС надо еще и плату мультика придумать собрать, испытать, такие штуки опасно в народ выпускать, катушка зажигания простая и понятная штука , главное мощная в импульсе, может развить я думаю необходимую Т в дуге. ПЭТ и стекловолокно связи имеют очень разные площади по сечению которые необходимо согреть.
- Вложения
-
- tesla17-2.png (4.04 КБ) 13136 просмотров
-
- tesla17-1.png (9.39 КБ) 13136 просмотров
-
- tesla4-1.png (2.35 КБ) 13136 просмотров
-
- tesla4-3.png (6.05 КБ) 13136 просмотров
73! UA4AU
- Alex Post
- Сообщения: 7028
- Зарегистрирован: 11 янв 2017, 17:22
- Имя: Александр
- Откуда: Брест, РБ
- Благодарил (а): 333 раза
- Поблагодарили: 822 раза
- Контактная информация:
Re: PetPull - cтанок для производства филамента из PET бутылок
ИМХО стекловолокно и ПЭТ слегка разные вещества. При температуре в зоне искры ПЭТ просто обуглится не успев расплавиться.
Prusa i3 rework - трудится с 2015 года
Черно-оранжевый 3D-SPrinter 232 - https://3deshnik.ru/forum/viewtopic.php?f=21&t=393
Черно-оранжевый 3D-SPrinter 232 - https://3deshnik.ru/forum/viewtopic.php?f=21&t=393
-
eidemillerp
- Сообщения: 39
- Зарегистрирован: 06 апр 2020, 20:00
- Имя: Petr
- Откуда: Ачинск
- Благодарил (а): 5 раз
- Поблагодарили: 11 раз
Re: PetPull - cтанок для производства филамента из PET бутылок
я все же предлогаю пруток варить дугой
Ultimaker clon в работе с 2019г
Prusa i3 на стадии сборки
Prusa i3 на стадии сборки
-
Robert Sa
- Сообщения: 578
- Зарегистрирован: 30 май 2017, 14:20
- Имя: Robert
- Откуда: Ереван
- Благодарил (а): 42 раза
- Поблагодарили: 62 раза
- Контактная информация:
Re: PetPull - cтанок для производства филамента из PET бутылок
Доберусь до дуги, отвечу что и как там получается, а пока в медной трубке как это делается в многоцветном модуле филамента по подаче и сварке 4-х цветного филамента ниже, как и обсуждали с тобой брат. Мне оно нравится пока так как идет более узкая зона нагрева и обдув после сварки малого объема металла в зоне сварки.
Если все получится как надо, то все будет опять контролировать G-code и прошивка марлина на меге 2560. Полимер PEEK буду менять на 2 новых по конструкции цельнометаллических термобарьера с радиаторами, сложно, но решение Pro как мне кажется. Автомат сварки нити будет побежден:) И тогда наверняка, вдруг запляшут облака
- Вложения
-
- cats.jpg (55.44 КБ) 13053 просмотра
3д Printer 3D-OPEX-G3
Format: A4
Разрешение: 50 микрон
Крейсерские скорости печати: 110,200,250мм/сек
Hotend: Nautilus-1D (водяное охлаждение)
Сопло: 0,35mm
Сеть поддержка: IP, WiFi,client Octoprint(modified)
Format: A4
Разрешение: 50 микрон
Крейсерские скорости печати: 110,200,250мм/сек
Hotend: Nautilus-1D (водяное охлаждение)
Сопло: 0,35mm
Сеть поддержка: IP, WiFi,client Octoprint(modified)
- Alex Post
- Сообщения: 7028
- Зарегистрирован: 11 янв 2017, 17:22
- Имя: Александр
- Откуда: Брест, РБ
- Благодарил (а): 333 раза
- Поблагодарили: 822 раза
- Контактная информация:
Re: PetPull - cтанок для производства филамента из PET бутылок
Ну так может попробует кто, плавится или горит? Попробовать то усилий многого не надо: хотя бы даже шокером потыкать в бутылку
А то толку с таких предложений, без физических телодвижений
Prusa i3 rework - трудится с 2015 года
Черно-оранжевый 3D-SPrinter 232 - https://3deshnik.ru/forum/viewtopic.php?f=21&t=393
Черно-оранжевый 3D-SPrinter 232 - https://3deshnik.ru/forum/viewtopic.php?f=21&t=393
- Alex Post
- Сообщения: 7028
- Зарегистрирован: 11 янв 2017, 17:22
- Имя: Александр
- Откуда: Брест, РБ
- Благодарил (а): 333 раза
- Поблагодарили: 822 раза
- Контактная информация:
Re: PetPull - cтанок для производства филамента из PET бутылок
Смысла особо нет, 390 и 420 Вт/(м*град), около 8% разница - ее и не ощутишь.
А вот сама установка, если будет четко работать - отличная вещь.
Prusa i3 rework - трудится с 2015 года
Черно-оранжевый 3D-SPrinter 232 - https://3deshnik.ru/forum/viewtopic.php?f=21&t=393
Черно-оранжевый 3D-SPrinter 232 - https://3deshnik.ru/forum/viewtopic.php?f=21&t=393
-
Robert Sa
- Сообщения: 578
- Зарегистрирован: 30 май 2017, 14:20
- Имя: Robert
- Откуда: Ереван
- Благодарил (а): 42 раза
- Поблагодарили: 62 раза
- Контактная информация:
Re: PetPull - cтанок для производства филамента из PET бутылок
согласен, это для особо приближенных к Императорскому величеству только, но как бы не исключено что и такие найдутся:)))))
3д Printer 3D-OPEX-G3
Format: A4
Разрешение: 50 микрон
Крейсерские скорости печати: 110,200,250мм/сек
Hotend: Nautilus-1D (водяное охлаждение)
Сопло: 0,35mm
Сеть поддержка: IP, WiFi,client Octoprint(modified)
Format: A4
Разрешение: 50 микрон
Крейсерские скорости печати: 110,200,250мм/сек
Hotend: Nautilus-1D (водяное охлаждение)
Сопло: 0,35mm
Сеть поддержка: IP, WiFi,client Octoprint(modified)
-
Robert Sa
- Сообщения: 578
- Зарегистрирован: 30 май 2017, 14:20
- Имя: Robert
- Откуда: Ереван
- Благодарил (а): 42 раза
- Поблагодарили: 62 раза
- Контактная информация:
Re: PetPull - cтанок для производства филамента из PET бутылок
Первая часть марлезонского балета с автоматом сварки нити
родилась успешно:))) Гладкая часть Ф5мм , Резьба М6.
Резьба длиной 5мм по чертежу ниже пойдет в нерж. муфты, а на них вкручу 2 термобарьера для водянки с радиаторами.
Между барьерами и медной трубкой будут установлены тефлон шайбы толщиной до 1мм для доп. теплового сопротивления.
родилась успешно:))) Гладкая часть Ф5мм , Резьба М6.
Резьба длиной 5мм по чертежу ниже пойдет в нерж. муфты, а на них вкручу 2 термобарьера для водянки с радиаторами.
Между барьерами и медной трубкой будут установлены тефлон шайбы толщиной до 1мм для доп. теплового сопротивления.
- Вложения
-
- cats.jpg (158.58 КБ) 13030 просмотров
-
- cats.jpg (89.48 КБ) 13033 просмотра
-
- cats.jpg (101.31 КБ) 13035 просмотров
3д Printer 3D-OPEX-G3
Format: A4
Разрешение: 50 микрон
Крейсерские скорости печати: 110,200,250мм/сек
Hotend: Nautilus-1D (водяное охлаждение)
Сопло: 0,35mm
Сеть поддержка: IP, WiFi,client Octoprint(modified)
Format: A4
Разрешение: 50 микрон
Крейсерские скорости печати: 110,200,250мм/сек
Hotend: Nautilus-1D (водяное охлаждение)
Сопло: 0,35mm
Сеть поддержка: IP, WiFi,client Octoprint(modified)
-
Robert Sa
- Сообщения: 578
- Зарегистрирован: 30 май 2017, 14:20
- Имя: Robert
- Откуда: Ереван
- Благодарил (а): 42 раза
- Поблагодарили: 62 раза
- Контактная информация:
Re: PetPull - cтанок для производства филамента из PET бутылок
Еще один шаг в достижении цели, барьер сварочного автомата нити почти собран:)
Остались, радиаторы, диффузоры, венты обдува в 3-х точках итд итп:)))
Муфты из старого решения Титан барьера, были заказаны на ВПК Украины года 4 назад:)
После теста они будут заменены на нерж, просто экономлю время . Лень точить пока их:)
Остались, радиаторы, диффузоры, венты обдува в 3-х точках итд итп:)))
Муфты из старого решения Титан барьера, были заказаны на ВПК Украины года 4 назад:)
После теста они будут заменены на нерж, просто экономлю время . Лень точить пока их:)
- Вложения
-
- cats2.jpg (159.83 КБ) 13511 просмотров
-
- cats.jpg (105.22 КБ) 13511 просмотров
3д Printer 3D-OPEX-G3
Format: A4
Разрешение: 50 микрон
Крейсерские скорости печати: 110,200,250мм/сек
Hotend: Nautilus-1D (водяное охлаждение)
Сопло: 0,35mm
Сеть поддержка: IP, WiFi,client Octoprint(modified)
Format: A4
Разрешение: 50 микрон
Крейсерские скорости печати: 110,200,250мм/сек
Hotend: Nautilus-1D (водяное охлаждение)
Сопло: 0,35mm
Сеть поддержка: IP, WiFi,client Octoprint(modified)
Re: PetPull - cтанок для производства филамента из PET бутылок
Спайщик прутка
Собран практически полностью из готовых деталей. Состоит из:
- двух радиаторов с отверстиями под резьбу М6;
- термоблока с двумя термобарьерами от MK8.
В термобарьеры вставлена PTFE трубка 2/4мм. Трубка рассверлена до 2.5мм, в нее вставлена трубка 1.7/2.5мм.
Управляющий контроллер собран на базе stm8s103.
Процесс сварки:
- включаем нагрев приблизительно до 270 градусов;
- делаем на одном прутке отметку, до которой его нужно вставить в термобарьер, чтобы конец оказался посередине термоблока;
- вставляем размеченный пруток до отметки, затем вставляем другой до упора;
- после того, как термоблок прогрелся давим прутки навстречу друг другу, затем выключаем нагрув и включаем обдув;
- выдвигаем уже сваренный пруток в сторону отметки, но не полностью, а чтобы шов оказался у самого края термобарьера (у меня в этом положении отметка на прутке совпадает с краем радиатора);
- ждем 10 секунд, можно вытягивать дальше.
Получившийся шов достаточно прочный и не требует механической обработки.
Собран практически полностью из готовых деталей. Состоит из:
- двух радиаторов с отверстиями под резьбу М6;
- термоблока с двумя термобарьерами от MK8.
В термобарьеры вставлена PTFE трубка 2/4мм. Трубка рассверлена до 2.5мм, в нее вставлена трубка 1.7/2.5мм.
Управляющий контроллер собран на базе stm8s103.
Процесс сварки:
- включаем нагрев приблизительно до 270 градусов;
- делаем на одном прутке отметку, до которой его нужно вставить в термобарьер, чтобы конец оказался посередине термоблока;
- вставляем размеченный пруток до отметки, затем вставляем другой до упора;
- после того, как термоблок прогрелся давим прутки навстречу друг другу, затем выключаем нагрув и включаем обдув;
- выдвигаем уже сваренный пруток в сторону отметки, но не полностью, а чтобы шов оказался у самого края термобарьера (у меня в этом положении отметка на прутке совпадает с краем радиатора);
- ждем 10 секунд, можно вытягивать дальше.
Получившийся шов достаточно прочный и не требует механической обработки.
-
Robert Sa
- Сообщения: 578
- Зарегистрирован: 30 май 2017, 14:20
- Имя: Robert
- Откуда: Ереван
- Благодарил (а): 42 раза
- Поблагодарили: 62 раза
- Контактная информация:
Re: PetPull - cтанок для производства филамента из PET бутылок
т,е, показанный вент обдува работает 10сек и успевает охладить нагретый кубик?
В стальной трубке для сварки есть тефлоновая вставка или все из металла?
3д Printer 3D-OPEX-G3
Format: A4
Разрешение: 50 микрон
Крейсерские скорости печати: 110,200,250мм/сек
Hotend: Nautilus-1D (водяное охлаждение)
Сопло: 0,35mm
Сеть поддержка: IP, WiFi,client Octoprint(modified)
Format: A4
Разрешение: 50 микрон
Крейсерские скорости печати: 110,200,250мм/сек
Hotend: Nautilus-1D (водяное охлаждение)
Сопло: 0,35mm
Сеть поддержка: IP, WiFi,client Octoprint(modified)
Re: PetPull - cтанок для производства филамента из PET бутылок
Вентиляторы работают до снижения температуры до 60 градусов, но вытягивать пруток можно после 10 секунд, успевает охладиться.
Вставка описана в тексте.
Вставка описана в тексте.
