Страница 1 из 22
Рельсы для 3D принтера
Добавлено: 09 янв 2016, 23:30
metal
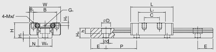
На данный момент в 3D принтерах набирают популярность китайские профильные рельсовые направляющие MGN9
Плюсы: высокие ускорения перемещений каретки
Минусы:
- шума больше, чем от линейных подшипников
- качество китайских рельс низкое - могут быть дёрганья и тугой ход
Даташит на русском

- 2016-03-16_132706.png (21.31 КБ) 26497 просмотров

- 2016-03-16_132954.png (9.34 КБ) 26497 просмотров

- 2016-03-16_133252.png (13.12 КБ) 26497 просмотров
Видео по замене шариков
У MGN9 шарики диаметром 2 мм
Шарики 2мм G10 на Ebay.com
Допуски для шариков по нормам DIN 5401

- DIN 5401.png (10.41 КБ) 26489 просмотров
Получил
рельсы (9/450мм, 3шт, ~60$) и
движки (5шт, Nema 17/40mm, ~50$).
Прод отзывчивый, на контакт идет, сделал скидку небольшую, округлил до 110$ стоимость заказа.
Ну и "накосячил" с доставкой, сначала отправлял 5 дней, на 5й день дал трек, который начал биться аж на 11й день, ок.
Трек был посылки через почту Китая (CP..CN), который трекался только на почте Китая. 6 января последнее событие.
И тут сегодня звонит курьер ЕМС, мол везу вам посылку
Судорожно вспоминаю, чой-то я емсом то заказывал. И тут вдруг привозит рельсы и движки.
Трек в накладной ЕМС-овский, по треку отправлено на сл.день от того трека, что прод дал...
занятно в общем получилось)
p.s. движки вроде проверил, прозвонил обмотки, ~2ом, диод подрубал, крутил, светится)
а как рельсы проверить? хотя это наверное в другую тему.
Re: Основные комплектующие для 3D принтера
Добавлено: 10 янв 2016, 06:02
AKDZG
metal писал(а):а как рельсы проверить?
Погонять каретку по рельсу, как и линейные подшипники. Чтобы не люфтили и не закусывало. Шарики лучше промыть в керосине и по новой смазать например Литолом 24. Они ведь идут в консервационной смазке, а хорошая смазка и шум снижает.
Re: Основные комплектующие для 3D принтера
Добавлено: 10 янв 2016, 19:16
metal
Посмотрел внимательно на рельсы и каретки, на каретках такое ощущение, что по шарику не хватает с каждой стороны... Но каретки при движении вроде не клинит.
А с обратной стороны каждой рельсы какой-то пропил...
Что с этим делать? Это норма или прода трясти?
Re: Основные комплектующие для 3D принтера
Добавлено: 11 янв 2016, 04:53
AKDZG
metal писал(а):Это норма или прода трясти?
Это нужно у Андрея 3D-SPrinter спросить, как самого опытного по использованию рельс. Мне тоже интересно.
Re: Основные комплектующие для 3D принтера
Добавлено: 11 янв 2016, 06:47
onepointer
Пропил с другой стороны у всех даже оригинальных HIWIN, отсутствие шарика тоже наверно норма они там по кругу катаются , насколько помню так и задумано .
Re: Основные комплектующие для 3D принтера
Добавлено: 11 янв 2016, 06:58
onepointer
Полоской вродь обозначается базовая сторона , так в документации написано а зачем не помню. Ещё читал лучше так каретки не снимать говорят шарики выпадают но я не пробовал

Re: Основные комплектующие для 3D принтера
Добавлено: 11 янв 2016, 08:20
kostyankin
AKDZG писал(а):metal писал(а):Это норма или прода трясти?
Это нужно у Андрея 3D-SPrinter спросить, как самого опытного по использованию рельс. Мне тоже интересно.
Нормальные рельсы, мне тоже попадались с пропилом и зазор между шариками должен быть. Если не клинят, то всё ОК.
Re: Основные комплектующие для 3D принтера
Добавлено: 11 янв 2016, 08:27
3D-SPrinter
AKDZG писал(а):metal писал(а):а как рельсы проверить?
Шарики лучше промыть в керосине и по новой смазать например Литолом 24. Они ведь идут в консервационной смазке, а хорошая смазка и шум снижает.
Не уверен, что это нужно делать. Как показывает практика, оно и так нормально работает без всяких смазок и промывок. Особенно промывать не рекомендовал бы. Потому что керосин останется внутри каретки и будет растворять и портить смазку. Так что если ничего не люфтит и не закусывает, лучше каретки вообще не снимать.
Основные комплектующие для 3D принтера
Добавлено: 11 янв 2016, 11:57
metal
Андрей, спасибо за совет)
Каретки как-то туговато ездят, но если придавить чуть, то норм...
П.с.Может отпилить последние сообщения в отдельную тему по обсуждению рельс?

Re: Основные комплектующие для 3D принтера
Добавлено: 11 янв 2016, 12:13
3D-SPrinter
Если туго ездят, то в принципе можно бороздки на рельсах полирнуть алмазной пилкой для ногтей. Но лучше не трогать. Потом на принтере раздрыгается за несколько часов печати.
Re: Основные комплектующие для 3D принтера
Добавлено: 11 янв 2016, 12:29
onepointer
3D-SPrinter писал(а):Если туго ездят, то в принципе можно бороздки на рельсах полирнуть алмазной пилкой для ногтей. Но лучше не трогать. Потом на принтере раздрыгается за несколько часов печати.
А не подскажешь какими винтами крепить рельсы я обычный вставил стцилиндрической головкой как-то не уверенно сидит.. Потай?
Re: Основные комплектующие для 3D принтера
Добавлено: 11 янв 2016, 16:19
3D-SPrinter
onepointer писал(а):3D-SPrinter писал(а):Если туго ездят, то в принципе можно бороздки на рельсах полирнуть алмазной пилкой для ногтей. Но лучше не трогать. Потом на принтере раздрыгается за несколько часов печати.
А не подскажешь какими винтами крепить рельсы я обычный вставил стцилиндрической головкой как-то не уверенно сидит.. Потай?
Винты с потай-головкой. При том желательно немного уменьшить диаметр головки дремелем (чтобы винт немного люфтил в отверстии).
Re: Основные комплектующие для 3D принтера
Добавлено: 12 янв 2016, 08:25
vtoryh
onepointer писал(а):3D-SPrinter писал(а):Если туго ездят, то в принципе можно бороздки на рельсах полирнуть алмазной пилкой для ногтей. Но лучше не трогать. Потом на принтере раздрыгается за несколько часов печати.
А не подскажешь какими винтами крепить рельсы я обычный вставил стцилиндрической головкой как-то не уверенно сидит.. Потай?
Я себе DIN 912 взял, но еще не пробовал.
Re: Основные комплектующие для 3D принтера
Добавлено: 14 янв 2016, 19:02
vtoryh
DIN 912 проверил, головка в рельсу садится хорошо с зазором.
Re: Рельсы для 3D принтера
Добавлено: 22 фев 2016, 12:02
metal
Господа, я тут прочитал
в теме по снижению шума про пластиковые подшипы от немецкой конторы Igus. Подшипы идут на замену стандартных LMXUU.
Поизучав их сайт нашел интересные варианты для замены кареток на рельсы... Сейчас жду подшипы MJ4JP 01-08, для замены на своем ваньке и подумываю заказать еще и каретки... Пока написал им через форму обратной связи запрос, чтобы узнать что почем.
Если кому интересно, буду держать в курсе.