Принтер на рельсах от 3D-SPrinter
- Alex Post
- Сообщения: 7028
- Зарегистрирован: 11 янв 2017, 17:22
- Имя: Александр
- Откуда: Брест, РБ
- Благодарил (а): 333 раза
- Поблагодарили: 822 раза
- Контактная информация:
Re: Принтер на рельсах от 3D-SPrinter
Чтоб не выпадали - снимать каретку медленно и вверх ногами. Вообще то там должны быть проволочные скобы, которые приднрживают эти шарики. Или рельсы настолько дешманские, что и скобы не поставили? На моих с али были... Я шарики кисточкой гонял как хотел, пока отмывал. Ни один не вылетел.
Prusa i3 rework - трудится с 2015 года
Черно-оранжевый 3D-SPrinter 232 - https://3deshnik.ru/forum/viewtopic.php?f=21&t=393
Черно-оранжевый 3D-SPrinter 232 - https://3deshnik.ru/forum/viewtopic.php?f=21&t=393
- Lenivo
- Сообщения: 1819
- Зарегистрирован: 25 май 2017, 12:46
- Имя: Александр
- Благодарил (а): 93 раза
- Поблагодарили: 179 раз
Re: Принтер на рельсах от 3D-SPrinter
Это стандартное их качество. Есть у них рельсы подороже - как говорят это они просто отобрали нормальные экземпляры и продают их в 1,5 раза дороже.antobel писал(а): ↑30 июл 2017, 01:43Приехала пара рельс 250, перемещение каретки отвратное, как дорабатывать рельсы я читал, но так подумал что каретку надо таки снять...
при съёме одной выпал 1 шарик, при съёме второй - аж 4... при попытке одеть вторую обратно - ещё 2...
Наехать на прода или это нормально?
вставлять на место пока не рискнул - пыво сёдня с друзьями пью а "сапоги надо надевать на свежую голову"
P.S. Приехало с ебея в рекордные 10 дён е-пакетом, единственная рельс-позиция дешевле али - может просто брак?
И каретки проще дозаказать а проду выписать люлей?
PPS: Число шариков с учётом выпавших в видимой части цепочки разнится по кареткам на 3 шарика - это норм?
Квадратный подшипник без рельсы промыть в бензине-керосине - вымыть из канавок и шариков их грязную смазку. Потом набить автомобильным литолом - смазка для подшипников качения. Потом руками разработать (минут 30-40 на одну рельсу). Перед этим, в крайние отверстия намотать проволоки, чтоб подшипник не вылетал. Нормальное состояние - когда рельсу поворачиваешь на 180 градусов - меняешь концы с верху вниз, и квадратная каретка сама под своим весом спокойно скатывается вниз - не заедая.
Шарики теряют все - так что и без трех шариков будет вполне нормально работать.
- antobel
- Сообщения: 1327
- Зарегистрирован: 06 июл 2017, 20:36
- Имя: Антон
- Откуда: з Владимирщины
- Благодарил (а): 43 раза
- Поблагодарили: 83 раза
- Контактная информация:
Re: Принтер на рельсах от 3D-SPrinter
скобы есть но какие-то гнутые...
Собрал три Sprinter"а, и один разобрал, FriBot-Max-Pro так и не собрал, собираю 2626 техно...
- antobel
- Сообщения: 1327
- Зарегистрирован: 06 июл 2017, 20:36
- Имя: Антон
- Откуда: з Владимирщины
- Благодарил (а): 43 раза
- Поблагодарили: 83 раза
- Контактная информация:
Re: Принтер на рельсах от 3D-SPrinter
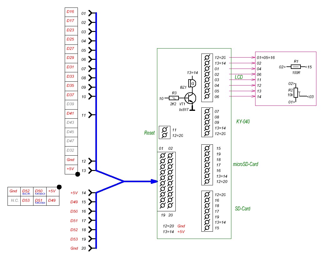
Продолжая тему 20х4 энкодера и SD
по частям...
Спойлер
плата (ЛУТ) и схема
Собрал три Sprinter"а, и один разобрал, FriBot-Max-Pro так и не собрал, собираю 2626 техно...
Re: Принтер на рельсах от 3D-SPrinter
Норм явление. Надо было снимать каретку вверх ногами и над пластиковым лотком для еды, тогда как шарик падает отлично слышно. Разобрать хорошенько промыть, смазать, поставить шарики обратно в каретку, по шарикам одного или двух шариков (нет в ряде) на одну сторону каретки. Шарики обратно в каретку очень легко ставяться так. Сначала смазываем каретку густой смазкой, собираем каретку, потом палец в эту густую смазку и тыкаем в шарик, он прилипает к пальцу и потом его в каретку, шарики продвигаем обычной зубочисткой.antobel писал(а): ↑30 июл 2017, 01:43Приехала пара рельс 250, перемещение каретки отвратное, как дорабатывать рельсы я читал, но так подумал что каретку надо таки снять...
при съёме одной выпал 1 шарик, при съёме второй - аж 4... при попытке одеть вторую обратно - ещё 2...
Наехать на прода или это нормально?
вставлять на место пока не рискнул - пыво сёдня с друзьями пью а "сапоги надо надевать на свежую голову"
P.S. Приехало с ебея в рекордные 10 дён е-пакетом, единственная рельс-позиция дешевле али - может просто брак?
И каретки проще дозаказать а проду выписать люлей?
PPS: Число шариков с учётом выпавших в видимой части цепочки разнится по кареткам на 3 шарика - это норм?
- antobel
- Сообщения: 1327
- Зарегистрирован: 06 июл 2017, 20:36
- Имя: Антон
- Откуда: з Владимирщины
- Благодарил (а): 43 раза
- Поблагодарили: 83 раза
- Контактная информация:
Re: Принтер на рельсах от 3D-SPrinter
Чего-й то меня все не так поняли - я таки ни один не потерял и имел ввиду
что вместе с вылетевшими кол-во исходно у двух кареток сильно отличалось
по приезду из китая... Ну да фиг с ним - я остальные заказал и вместо двух кареток отдельно - три
Щас приехал рампс - буду его мыть и прозванивать на соответствие схемы
Как кстати продвигается проект с выпуском 232Pro? Фоток пока нема?
что вместе с вылетевшими кол-во исходно у двух кареток сильно отличалось
по приезду из китая... Ну да фиг с ним - я остальные заказал и вместо двух кареток отдельно - три
Щас приехал рампс - буду его мыть и прозванивать на соответствие схемы
Как кстати продвигается проект с выпуском 232Pro? Фоток пока нема?
Собрал три Sprinter"а, и один разобрал, FriBot-Max-Pro так и не собрал, собираю 2626 техно...
- AKDZG
- Сообщения: 2206
- Зарегистрирован: 17 окт 2015, 10:00
- Имя: Алексей
- Откуда: Иркутск
- Благодарил (а): 24 раза
- Поблагодарили: 77 раз
Re: Принтер на рельсах от 3D-SPrinter
Отдельно каретки лучше не покупать. В них даже диаметр шариков может быть другой 
СПринтер 233
Anycubic Mono M7 Pro
Anycubic Mono M7 Pro
- Alex Post
- Сообщения: 7028
- Зарегистрирован: 11 янв 2017, 17:22
- Имя: Александр
- Откуда: Брест, РБ
- Благодарил (а): 333 раза
- Поблагодарили: 822 раза
- Контактная информация:
Re: Принтер на рельсах от 3D-SPrinter
СтОит дополнить: если это не оригинальный Хивин. У Хивина как раз так и продается: рельс отдельно, каретки отдельно.
Prusa i3 rework - трудится с 2015 года
Черно-оранжевый 3D-SPrinter 232 - https://3deshnik.ru/forum/viewtopic.php?f=21&t=393
Черно-оранжевый 3D-SPrinter 232 - https://3deshnik.ru/forum/viewtopic.php?f=21&t=393
- antobel
- Сообщения: 1327
- Зарегистрирован: 06 июл 2017, 20:36
- Имя: Антон
- Откуда: з Владимирщины
- Благодарил (а): 43 раза
- Поблагодарили: 83 раза
- Контактная информация:
Re: Принтер на рельсах от 3D-SPrinter
Так было же сказано ТС - для SP232PRO вместо валов 2 рельсы по 300мм с каретками и ещё 2 каретки - вот я и заказал 3...
Собрал три Sprinter"а, и один разобрал, FriBot-Max-Pro так и не собрал, собираю 2626 техно...
- 3D-SPrinter
- Сообщения: 11042
- Зарегистрирован: 19 ноя 2015, 14:23
- Имя: Андрей
- Откуда: Н.Новгород
- Благодарил (а): 78 раз
- Поблагодарили: 1044 раза
- Контактная информация:
Re: Принтер на рельсах от 3D-SPrinter
Я тока вчера вечером пригнал из Крыма в НН (2000 км однако...). Вот отосплюсь немножко и займусь продвижением 232 PRO. Думаю, на следующей неделе будут первые фотки и рекомендации по сборке.
- antobel
- Сообщения: 1327
- Зарегистрирован: 06 июл 2017, 20:36
- Имя: Антон
- Откуда: з Владимирщины
- Благодарил (а): 43 раза
- Поблагодарили: 83 раза
- Контактная информация:
Re: Принтер на рельсах от 3D-SPrinter
Разобрался с глючной кареткой, смазка в моём случае не помогала...
делюсь опытом - если каретка движется рывками только в одну сторону -
вполне возможно что зелёная пластмасска как у моей имеет заусеницу в районе разворотной дырки -
и шарики каждый раз её отгибают и пружинят - по этой же причине снятие и одевание такой каретки
сопровождается выщёлкиванием шариков... Довести до ума не удалось - стало лишь чуть лучше -
видать руки крюки, да и вообще разбирать подобный китай стрёмно
Вытряс с продавца каретку на замену...
делюсь опытом - если каретка движется рывками только в одну сторону -
вполне возможно что зелёная пластмасска как у моей имеет заусеницу в районе разворотной дырки -
и шарики каждый раз её отгибают и пружинят - по этой же причине снятие и одевание такой каретки
сопровождается выщёлкиванием шариков... Довести до ума не удалось - стало лишь чуть лучше -
видать руки крюки, да и вообще разбирать подобный китай стрёмно
Вытряс с продавца каретку на замену...
Собрал три Sprinter"а, и один разобрал, FriBot-Max-Pro так и не собрал, собираю 2626 техно...
- 3D-SPrinter
- Сообщения: 11042
- Зарегистрирован: 19 ноя 2015, 14:23
- Имя: Андрей
- Откуда: Н.Новгород
- Благодарил (а): 78 раз
- Поблагодарили: 1044 раза
- Контактная информация:
Re: Принтер на рельсах от 3D-SPrinter
Вообще-то, всё очень просто с китайскими рельсами решается (писал уже много раз, но на всякий случай напоминаю). Нужно капнуть каплю жидкого машинного масла на кусок пасты ГОИ, размешать его зубочисткой, чтобы получилась кашица из пасты и масла. С помощью зубочистки нанести децел (буквально каплю) этой кашицы на желобки рельса, пошвыркать каретку туда-сюда по рельсу до получения желаемого преднатяга и отсутствия закусываний. Налить в желобки рельса чистого машинного масла, пошвыркать кареткой, тщательно вытереть салфеткой грязное масло. Снова налить чистого масла, пошвыркать, вытереть. И так делать несколько раз, пока масло не будет чистым. Вся процедура занимает не больше 5 минут. При этом не нужно снимать каретку с рельса, переборка и промывка каретки тоже не требуется.
Практический опыт показывает, что подготовленные таким образом китайские рельсы исправно работают многие сотни и тысячи часов.
ЗЫ. Если нет в хозяйстве пасты ГОИ, можно купить в Ашане в автомобильном отделе тюбик жидкой абразивной пасты (полироль для ЛКП) "антицарапин". Он похуже, но тоже работает.
Практический опыт показывает, что подготовленные таким образом китайские рельсы исправно работают многие сотни и тысячи часов.
ЗЫ. Если нет в хозяйстве пасты ГОИ, можно купить в Ашане в автомобильном отделе тюбик жидкой абразивной пасты (полироль для ЛКП) "антицарапин". Он похуже, но тоже работает.
- antobel
- Сообщения: 1327
- Зарегистрирован: 06 июл 2017, 20:36
- Имя: Антон
- Откуда: з Владимирщины
- Благодарил (а): 43 раза
- Поблагодарили: 83 раза
- Контактная информация:
Re: Принтер на рельсах от 3D-SPrinter
Рельсы я так и обработал, одна каретка ездит идеально - а из второй я срезал огромную заусеницу -
облой штамповки зелёного пластика, прямо в разворотном канале болталась...
стало лучше но не намного....
облой штамповки зелёного пластика, прямо в разворотном канале болталась...
стало лучше но не намного....
Собрал три Sprinter"а, и один разобрал, FriBot-Max-Pro так и не собрал, собираю 2626 техно...
Re: Принтер на рельсах от 3D-SPrinter
antobel, это рельсы отсюда? https://ru.aliexpress.com/item/Free-shi ... 264.jzY9Yj
- antobel
- Сообщения: 1327
- Зарегистрирован: 06 июл 2017, 20:36
- Имя: Антон
- Откуда: з Владимирщины
- Благодарил (а): 43 раза
- Поблагодарили: 83 раза
- Контактная информация:
Re: Принтер на рельсах от 3D-SPrinter
Нет, эта пара с ебея, остальные едут с али
https://www.aliexpress.com/store/334759
https://www.aliexpress.com/store/334759
Собрал три Sprinter"а, и один разобрал, FriBot-Max-Pro так и не собрал, собираю 2626 техно...