Обсуждение Wiki на ТриДэшнике
Re: Обсуждение Wiki на ТриДэшнике
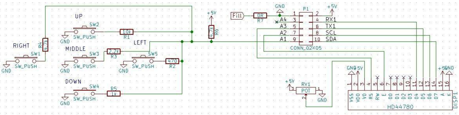
Добрый день!
Вот схема дисплея принтера Anet A8
Вот в WiKi плата http://3deshnik.ru/wiki/index.php/Anet
Хорошо бы добавить в раздел Дисплеи http://3deshnik.ru/wiki/index.php/%D0%9 ... 0%B5%D0%B8
У меня такая плата и очень долго искал схему подключения.
Вот схема дисплея принтера Anet A8
Вот в WiKi плата http://3deshnik.ru/wiki/index.php/Anet
Хорошо бы добавить в раздел Дисплеи http://3deshnik.ru/wiki/index.php/%D0%9 ... 0%B5%D0%B8
У меня такая плата и очень долго искал схему подключения.
- AKDZG
- Сообщения: 2206
- Зарегистрирован: 17 окт 2015, 10:00
- Имя: Алексей
- Откуда: Иркутск
- Благодарил (а): 24 раза
- Поблагодарили: 77 раз
Re: Обсуждение Wiki на ТриДэшнике
Это схема подключения кнопочного дисплея к плате Anet? Я не разобрался. Кстати можете сами добавить, куда считаете нужным.
СПринтер 233
Anycubic Mono M7 Pro
Anycubic Mono M7 Pro
-
Tiger
- Сообщения: 69
- Зарегистрирован: 07 ноя 2016, 09:42
- Благодарил (а): 3 раза
- Поблагодарили: 10 раз
Re: Обсуждение Wiki на ТриДэшнике
Тааак, позвольте мне внести свои три копейки. Начну пожалуй вот с чего- с предпосылок. Смысл, какова основная цель создания вики? И я говорю не о причинах (отсутствие централизованной информации, отсутствие перевода, и т.д.) нет, именно цель, нужно идти не от противного, а от понятного.
Я давно задумался написать книгу "3д лекбез", и начал по мере сил писать отдельные статьи, которые в конце дополнятся и объединятся в книгу для новичков. Но это, скажу я вам, бестолковая идея ибо один человек не осилит и забьет.... Невозможно объять необъятное.
Но! Какие предпосылки были у меня во время попытак написать книгу. А все просто - централизация информации для новичков, что бы не отвечать на тупые вопросы а просто присылать ссылку, где все разжовано.
И вот теперь плавно подходим к вики. Цель создания- сбор и систематизация информации по темам. Причины создания- отсутствие подобных ресурсов и/или не желание поддерживать другие ресурсы из за разногласий с держателем подобного ресурса.
И все признают, что дело нужное и полезное и нужно делать, лишь бы только не запороть.
А теперь о проблемах, причем по порядку:
1) отсутствие оглавления
2) отсутствие авторства
3) малочисленность
4) нет сформированной структуры подчинения и модерирования. А если перефразировать- не решен воппос разночтений между автооами и модераторами.
!!!Многаьукаф!!!!
1) отсутствие огоавления и перелинковок я считаю гоавным недостатком вики как платформы. Причем лодны быть не просто ссылки на раздел, а именно полная иерархия, как на форуме, все разделено на темы и подтеммы. Ибо найти сейчас инфу на том же реп рап не реально, а многие страницы ведут вникуда или на не тематическую статью, либо на дубль. Решим эту проблему- половина дела сделана.
2) авторство. Оно нужно, ибо это позволяет заработать репутацию и известность активному и грамотному деятелю (а другие не попадают просто) плюс четко знаем к кому идти за советом или кидаться палками. Это не плохо, любой труд должен быть оплачен, пусть даже просто указанием авторства или соавторства.
3) из второго пункта вытекает третий. Не будет авторов не будет популярности, ибр любой автор гордится своей работой и всячески ее популяризирует. А введя адекватную перелинковку и оглавление сразу решится вопрос "кто тут батька" ссылаться будут уже не на статьи, которые и найти то сложно по истечению времени, а на страницу вики, с авторством и модераторами
4) вытекающее из выше перечисленного. Автор не есть последняя инстанция- авторство это дань уважения, на основе некого материала создается страница вики, и должны быть соавторы, люди которые внесли большой вклад в добавление информации в данную страницу вики. Сюда же входят переводчики. И над всеми ними должен быть костяк редакторов, которые откидывают авторский имхо взгляд и оставляют пруфы. И этих редактрров должно быть нескольуо и решения выносить коллективно, при возникновении прецидентов неточностей в материале.
Итого : автор-вася пупкин; переводчик: -нет-, ; редакторы- коля, маша, петя.
Я давно задумался написать книгу "3д лекбез", и начал по мере сил писать отдельные статьи, которые в конце дополнятся и объединятся в книгу для новичков. Но это, скажу я вам, бестолковая идея ибо один человек не осилит и забьет.... Невозможно объять необъятное.
Но! Какие предпосылки были у меня во время попытак написать книгу. А все просто - централизация информации для новичков, что бы не отвечать на тупые вопросы а просто присылать ссылку, где все разжовано.
И вот теперь плавно подходим к вики. Цель создания- сбор и систематизация информации по темам. Причины создания- отсутствие подобных ресурсов и/или не желание поддерживать другие ресурсы из за разногласий с держателем подобного ресурса.
И все признают, что дело нужное и полезное и нужно делать, лишь бы только не запороть.
А теперь о проблемах, причем по порядку:
1) отсутствие оглавления
2) отсутствие авторства
3) малочисленность
4) нет сформированной структуры подчинения и модерирования. А если перефразировать- не решен воппос разночтений между автооами и модераторами.
!!!Многаьукаф!!!!
1) отсутствие огоавления и перелинковок я считаю гоавным недостатком вики как платформы. Причем лодны быть не просто ссылки на раздел, а именно полная иерархия, как на форуме, все разделено на темы и подтеммы. Ибо найти сейчас инфу на том же реп рап не реально, а многие страницы ведут вникуда или на не тематическую статью, либо на дубль. Решим эту проблему- половина дела сделана.
2) авторство. Оно нужно, ибо это позволяет заработать репутацию и известность активному и грамотному деятелю (а другие не попадают просто) плюс четко знаем к кому идти за советом или кидаться палками. Это не плохо, любой труд должен быть оплачен, пусть даже просто указанием авторства или соавторства.
3) из второго пункта вытекает третий. Не будет авторов не будет популярности, ибр любой автор гордится своей работой и всячески ее популяризирует. А введя адекватную перелинковку и оглавление сразу решится вопрос "кто тут батька" ссылаться будут уже не на статьи, которые и найти то сложно по истечению времени, а на страницу вики, с авторством и модераторами
4) вытекающее из выше перечисленного. Автор не есть последняя инстанция- авторство это дань уважения, на основе некого материала создается страница вики, и должны быть соавторы, люди которые внесли большой вклад в добавление информации в данную страницу вики. Сюда же входят переводчики. И над всеми ними должен быть костяк редакторов, которые откидывают авторский имхо взгляд и оставляют пруфы. И этих редактрров должно быть нескольуо и решения выносить коллективно, при возникновении прецидентов неточностей в материале.
Итого : автор-вася пупкин; переводчик: -нет-, ; редакторы- коля, маша, петя.
-
Dulfer
- Сообщения: 216
- Зарегистрирован: 16 янв 2017, 15:13
- Благодарил (а): 1 раз
- Поблагодарили: 7 раз
Re: Обсуждение Wiki на ТриДэшнике
Спустя год ... Вики заброшена, и это даже не вопрос ...
Как туда попасть? Аккаунт с форума или отдельный?
Как туда попасть? Аккаунт с форума или отдельный?
- AKDZG
- Сообщения: 2206
- Зарегистрирован: 17 окт 2015, 10:00
- Имя: Алексей
- Откуда: Иркутск
- Благодарил (а): 24 раза
- Поблагодарили: 77 раз
Re: Обсуждение Wiki на ТриДэшнике
База данных не пережила переезда на другой сервер и синхронизация аккаунтов нарушилась. Попробуйте сбросить там свой пароль и ввести тот же, что на форуме.
Последняя правка от 2 августа 2017, так что год ещё не прошёл
Последняя правка от 2 августа 2017, так что год ещё не прошёл
СПринтер 233
Anycubic Mono M7 Pro
Anycubic Mono M7 Pro
- wolfs_SG
- Сообщения: 354
- Зарегистрирован: 09 янв 2016, 15:22
- Имя: Sergey
- Откуда: Кемерово
- Благодарил (а): 2 раза
- Поблагодарили: 41 раз
Re: Обсуждение Wiki на ТриДэшнике
Так а что... наполнили ее и все... я, лично, время от времени к ней обращаюсь...
Все в этой жизни прах и суета, кроме охоты.
Тургенев И.С.
---
Один неудачный день на охоте, гораздо лучше одного удачного на работе.
Тургенев И.С.
---
Один неудачный день на охоте, гораздо лучше одного удачного на работе.
- AKDZG
- Сообщения: 2206
- Зарегистрирован: 17 окт 2015, 10:00
- Имя: Алексей
- Откуда: Иркутск
- Благодарил (а): 24 раза
- Поблагодарили: 77 раз
Re: Обсуждение Wiki на ТриДэшнике
Сейчас там уже не хватает инфы о новинках TMC
СПринтер 233
Anycubic Mono M7 Pro
Anycubic Mono M7 Pro
-
Dulfer
- Сообщения: 216
- Зарегистрирован: 16 янв 2017, 15:13
- Благодарил (а): 1 раз
- Поблагодарили: 7 раз
Re: Обсуждение Wiki на ТриДэшнике
Ну вот, авторизовался, пойду напишу что-нибудь. Сказано - энциклопедия, попробуем подтянуть.
Сам писать не мастак, буду ссылаться на весь интернет. Плюс в этом - сохранение авторства.
