Предохранителю пофиг на напряжение, хоть 10 В, хоть 100 В. Предохранитель сгорает по превышению тока.
Вопросы по дисплеям для 3D принтеров
Модератор: Kaktus
- 
				IslandSky
- Сообщения: 505
- Зарегистрирован: 08 фев 2019, 19:15
- Имя: Андрей
- Откуда: Таганрог
- Благодарил (а): 20 раз
- Поблагодарили: 50 раз
Re: Вопросы по дисплеям для 3D принтеров
- Alex Post
- Сообщения: 7029
- Зарегистрирован: 11 янв 2017, 17:22
- Имя: Александр
- Откуда: Брест, РБ
- Благодарил (а): 333 раза
- Поблагодарили: 822 раза
- Контактная информация:
Re: Вопросы по дисплеям для 3D принтеров
А светодиоды на рампсе все от 5в. Достаточно схему посмотреть: https://reprap.org/mediawiki/images/f/f ... ematic.png. 
Ленту светодиодную или от отдельного DC-DC запитать или два куска последовательно.
Преды можно замкнуть, можно заменить, но если стол через них не питать - можно и оставить.
			
									
						Ленту светодиодную или от отдельного DC-DC запитать или два куска последовательно.
Преды можно замкнуть, можно заменить, но если стол через них не питать - можно и оставить.
Prusa i3 rework - трудится с 2015 года
Черно-оранжевый 3D-SPrinter 232 - https://3deshnik.ru/forum/viewtopic.php?f=21&t=393
						Черно-оранжевый 3D-SPrinter 232 - https://3deshnik.ru/forum/viewtopic.php?f=21&t=393
Re: Вопросы по дисплеям для 3D принтеров
этим не пофиг, на рампсе стоят самовосстанавливающиеся предохранители, желтые такие, им не пофиг на напряжение

- СПАСИБО!
- Alex Post
- Сообщения: 7029
- Зарегистрирован: 11 янв 2017, 17:22
- Имя: Александр
- Откуда: Брест, РБ
- Благодарил (а): 333 раза
- Поблагодарили: 822 раза
- Контактная информация:
Re: Вопросы по дисплеям для 3D принтеров
Интересно, с чего бы? Пред стоит последовательно с нагрузкой, через него течет ток такой же как в нагрузке. При известном сопротивлении преда на нем выделяется количество теплоты, равное Q=I×I×R
Если этого тепла хватает, чтобы пред расплавился - он размыкает цепь. При чем тут напряжение?
Prusa i3 rework - трудится с 2015 года
Черно-оранжевый 3D-SPrinter 232 - https://3deshnik.ru/forum/viewtopic.php?f=21&t=393
						Черно-оранжевый 3D-SPrinter 232 - https://3deshnik.ru/forum/viewtopic.php?f=21&t=393
- 
				schs
- Сообщения: 350
- Зарегистрирован: 15 сен 2017, 19:41
- Имя: Сергей
- Откуда: Apatity
- Благодарил (а): 79 раз
- Поблагодарили: 32 раза
Re: Вопросы по дисплеям для 3D принтеров
В одноразовых(расплавляемых) так и есть. Но есть и самовосстанавливающиеся, например на материнках на USB идут, там напряжение играет роль.
SPrinter 233, SPrinter mini техно, mini Kossel, anycubic photon mono
						- 
				IslandSky
- Сообщения: 505
- Зарегистрирован: 08 фев 2019, 19:15
- Имя: Андрей
- Откуда: Таганрог
- Благодарил (а): 20 раз
- Поблагодарили: 50 раз
Re: Вопросы по дисплеям для 3D принтеров
Поддержу. Выше меня правильно поправили. Но эти предохранители та еще штука. Их нельзя тупо ставить вместо обычного предохранителя. Они идеально сочетаются со стабилитронами.
- Alex Post
- Сообщения: 7029
- Зарегистрирован: 11 янв 2017, 17:22
- Имя: Александр
- Откуда: Брест, РБ
- Благодарил (а): 333 раза
- Поблагодарили: 822 раза
- Контактная информация:
Re: Вопросы по дисплеям для 3D принтеров
При срабатывании преда. Грубо говоря, если напряжение превышено - пред из самовосстанавливающегося переходит в разряд одноразового
 Пока все ок - преду пофиг.
  Пока все ок - преду пофиг.Prusa i3 rework - трудится с 2015 года
Черно-оранжевый 3D-SPrinter 232 - https://3deshnik.ru/forum/viewtopic.php?f=21&t=393
						Черно-оранжевый 3D-SPrinter 232 - https://3deshnik.ru/forum/viewtopic.php?f=21&t=393
- trengtor
- Сообщения: 119
- Зарегистрирован: 03 мар 2020, 10:37
- Имя: Юрий
- Откуда: Москва
- Благодарил (а): 4 раза
- Поблагодарили: 7 раз
- Контактная информация:
Re: Вопросы по дисплеям для 3D принтеров
Нормально. Как и с остальными SKR.
ZAV MINI V3 (110х100х110 XYZ, BMG, директ)
BTT E3 RRF V1.1+TFT35 V3.0, PT1000, Marlin 2.0.9.6
Обдув для 3D-принтеров ZAV и UNIl
						BTT E3 RRF V1.1+TFT35 V3.0, PT1000, Marlin 2.0.9.6
Обдув для 3D-принтеров ZAV и UNIl
Re: Вопросы по дисплеям для 3D принтеров
Добрый
Сделал все тоже самое
Дисплей и завёлся
Энкодер не реагирует
Сд пока проверить не могу
Куда смотреть?
- Lenivo
- Сообщения: 1816
- Зарегистрирован: 25 май 2017, 12:46
- Имя: Александр
- Благодарил (а): 92 раза
- Поблагодарили: 179 раз
Re: Вопросы по дисплеям для 3D принтеров
В кофейную чашку, в гущу.
Вы о чём спрашиваете?
Какой принтер у вас? Какой дисплей? Как энкодер подсоединён? Какая у вас плата? Какая прошивка? И в чём вообще проблема? Энкодер в прошивке вообще включен? То что пины определены это ещё не всё. В прошивке надо включить энкодер. Настроить параметры и кнопки. Выставить задержки срабатывания.....Или просто включить и всё заработает -это уже от вашего оборудования зависит.
Re: Вопросы по дисплеям для 3D принтеров
Доброе утро. Провтыкал, сорри.Lenivo писал(а): ↑23 сен 2021, 15:01В кофейную чашку, в гущу.
Вы о чём спрашиваете?
Какой принтер у вас? Какой дисплей? Как энкодер подсоединён? Какая у вас плата? Какая прошивка? И в чём вообще проблема? Энкодер в прошивке вообще включен? То что пины определены это ещё не всё. В прошивке надо включить энкодер. Настроить параметры и кнопки. Выставить задержки срабатывания.....Или просто включить и всё заработает -это уже от вашего оборудования зависит.
Имеем редбот, коре ху.
Имеем связку рампс 1.4+мега
Экран олед 0.96’, I2C ssd1306
Энкодер на плате с 5-ю выводами, clk-dt-sw-vcc-gnd
Кардридер микросд HW-125
Прошивка марлин 2, взял последнюю с гитхаба
подключение по данной схеме

Дисплей как писал завести удалось.
Энкодер и сд включил, в configuration.h раскоментировал соответсвующие строки
Далее по Вашей инструкции произвёл назначение пинов в файле pins_ramps.h
Энкодер не реагирует на вращение, нажатие
Кардридер так же молчит - при установке карты в него на экране тишина
Вот как то так
- Lenivo
- Сообщения: 1816
- Зарегистрирован: 25 май 2017, 12:46
- Имя: Александр
- Благодарил (а): 92 раза
- Поблагодарили: 179 раз
Re: Вопросы по дисплеям для 3D принтеров
С последними версиями всегда проблемы. То что работало на предыдущей версии может не работать на последней.
Вот возьмите настроенную прошивку под такой экран , энкодер. Только в прошивке материнскую плату - ДУО закоментируйте, а МЕГУ раскомментируйте и пробуйте на ней. Если запустится, то потом параметры по осям и экструдеру, концевикам приведёте в соответствии с требуемым вам. Эта прошивка у меня на принтере работает с Олед экраном, энкодером и кардридером.
https://disk.yandex.ru/d/cKaNFRPskLPoBw
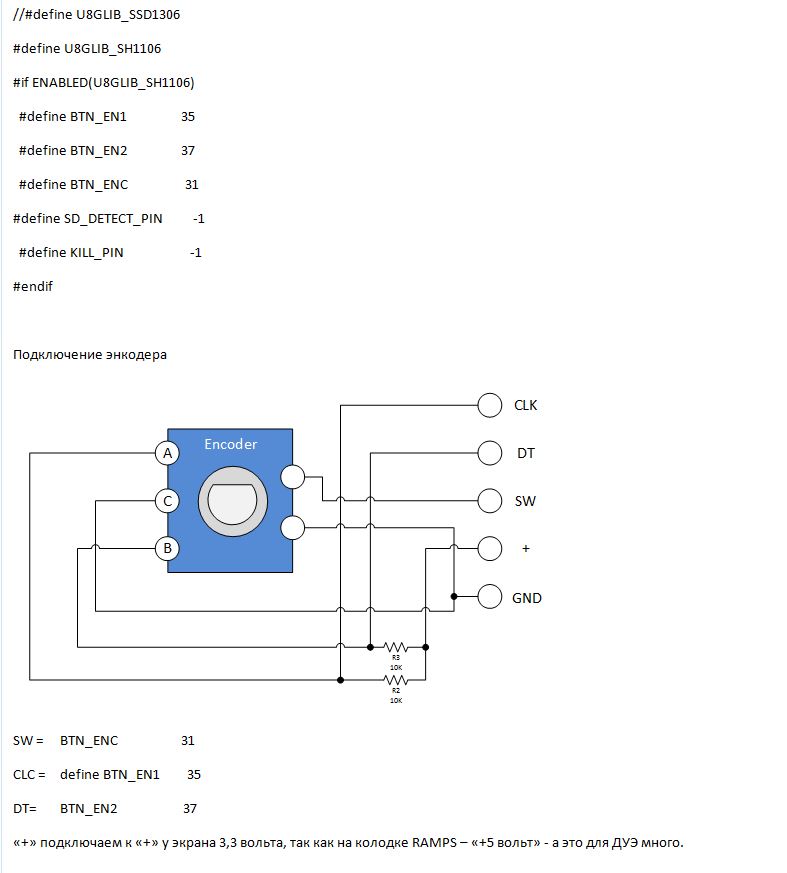
Параметры экрана можете сперва не править. Работать будет, только сбоку будет полоса. Если всё заработает... то начнёте перенастраивать на нужные вам параметры- экран менять.... ну и дальше то что нужно. Вот такое подключение , правда под ДУЭ - она 32 разрядная и питание у ней +3,3 вольта...... Но всё, в принципе, тоже самое.
					Последний раз редактировалось Lenivo 24 сен 2021, 11:55, всего редактировалось 1 раз.
									
			
						Re: Вопросы по дисплеям для 3D принтеров
благодарствую за помощь, изучу...Lenivo писал(а): ↑24 сен 2021, 11:35
С последними версиями всегда проблемы. То что работало на предыдущей версии может не работать на последней.
Вот возьмите настроенную прошивку под такой экран , энкодер. Только в прошивке материнскую плату - ДУО закоментируйте, а МЕГУ раскомментируйте и пробуйте на ней. Если запустится, то потом параметры по осям и экструдеру, концевикам приведёте в соответствии с требуемым вам. Эта прошивка у меня на принтере работает с Олед экраном, энкодером и кардридером.
https://disk.yandex.ru/d/cKaNFRPskLPoBw
но упорство и труд победили сегодня утром - решил сам задачу и все включил
1. в файле Configuration.h - только этот дисплей позволил нормально работать энкодеру - не знаю почему - остальные связанные с ssd1306 - не дали
//
// TinyBoy2 128x64 OLED / Encoder Panel
//
#define OLED_PANEL_TINYBOY2
2. в pins_ramps.h
#elif defined(OLED_PANEL_TINYBOY2)
#define BTN_EN1 31
#define BTN_EN2 33
#define BTN_ENC 35
#define SD_DETECT_PIN -1
#define KILL_PIN 41
вот так все работает



