4 двигателя на ось Z
Модератор: Kaktus
4 двигателя на ось Z
Всем, доброго времени суток!
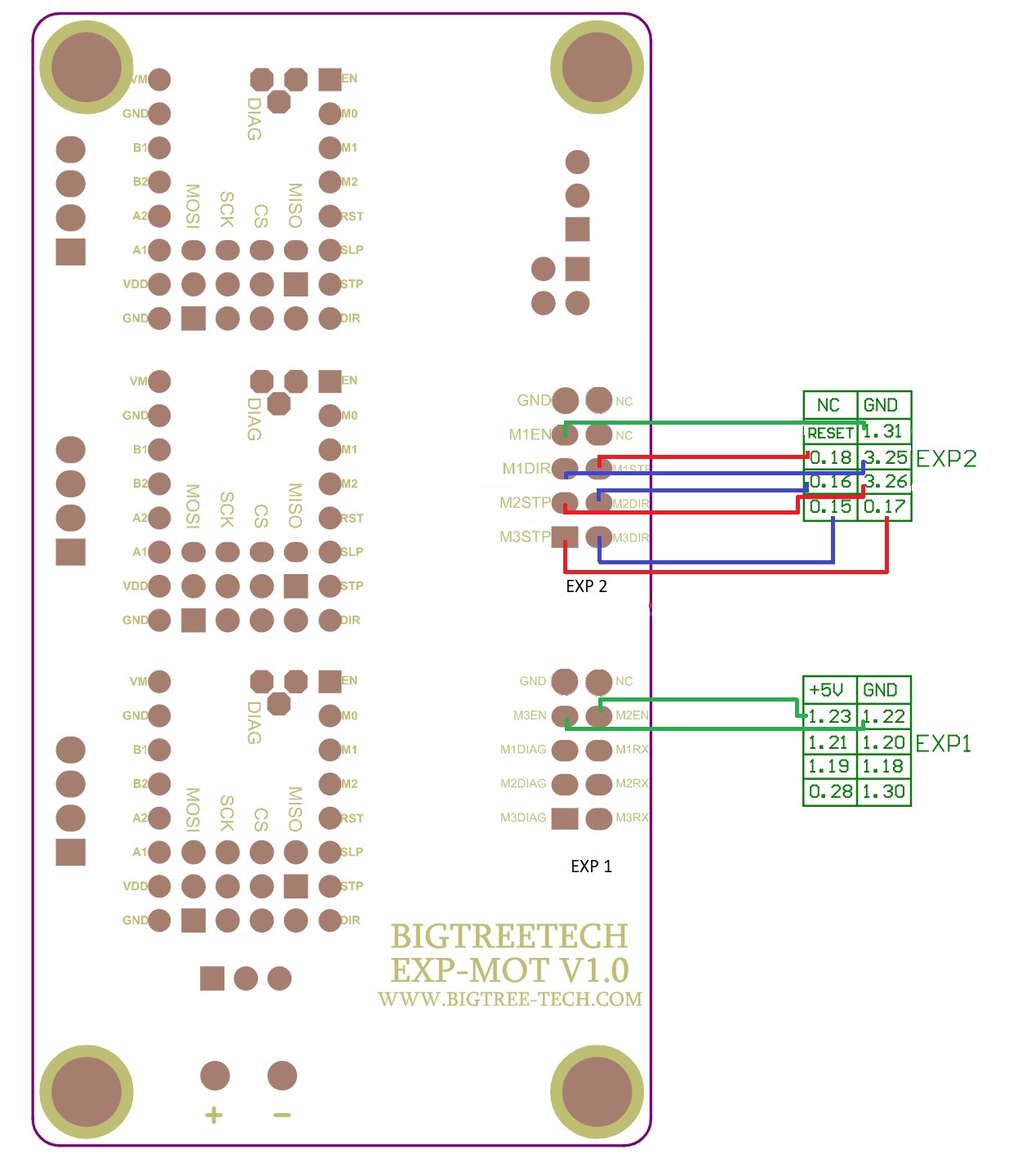
Задача заключается в том, чтобы подключить 4 ШД независимо друг от друга на ось Z. Параллельное/последовательное соединение двигателей на 1-2 драйвера не подходит. В конструкции используется SKR 1.4 turbo и EXP MOT V1 (расширение на 3 двигателя, подключаемое к основной плате через EXP1 и EXP2).
Проблема заключается в том, что из 4 ШД работает только 2. Все драйверы, платы и ШД в рабочем состоянии, проводка не нарушена. Возможно некорректно назначены пины для разъемов ШД 1 и 3 (ниже приведена схема и назначения пинов в прошивке). Возможно что-то не учтено в прошивке, но что - загадка.
Работает ШД 1 - подключен напрямую в SKR на ось Z,
Работает ШД 2 - подключен во второй разъем (М2) EXP MOT.
ШД 3 и 4 подключены в разъем М1 и М3 в EXP MOT, но не работают.
Буду очень благодарен, если будут идеи и предложения.
Прошивка Марлин версии 2:
Configuration_adv.h
#define NUM_Z_STEPPER_DRIVERS 4
Configuration.h
#define X_DRIVER_TYPE TMC2208_STANDALONE
#define Y_DRIVER_TYPE TMC2208_STANDALONE
#define Z_DRIVER_TYPE TMC2208_STANDALONE
#define Z2_DRIVER_TYPE TMC2208_STANDALONE
#define Z3_DRIVER_TYPE TMC2208_STANDALONE
#define Z4_DRIVER_TYPE TMC2208_STANDALONE
#define E0_DRIVER_TYPE TMC2208_STANDALONE
Назначение пинов в закладке платы:
#define Z_STEP_PIN P0_22
#define Z_DIR_PIN P2_11
#define Z_ENABLE_PIN P0_21
#ifndef Z_CS_PIN
#define Z_CS_PIN P1_08
#endif
#define Z2_STEP_PIN P0_18
#define Z2_DIR_PIN P3_25
#define Z2_ENABLE_PIN P1_31
#define Z3_STEP_PIN P3_26
#define Z3_DIR_PIN P0_16
#define Z3_ENABLE_PIN P1_23
#define Z4_STEP_PIN P0_17
#define Z4_DIR_PIN P0_15
#define Z4_ENABLE_PIN P1_22
Задача заключается в том, чтобы подключить 4 ШД независимо друг от друга на ось Z. Параллельное/последовательное соединение двигателей на 1-2 драйвера не подходит. В конструкции используется SKR 1.4 turbo и EXP MOT V1 (расширение на 3 двигателя, подключаемое к основной плате через EXP1 и EXP2).
Проблема заключается в том, что из 4 ШД работает только 2. Все драйверы, платы и ШД в рабочем состоянии, проводка не нарушена. Возможно некорректно назначены пины для разъемов ШД 1 и 3 (ниже приведена схема и назначения пинов в прошивке). Возможно что-то не учтено в прошивке, но что - загадка.
Работает ШД 1 - подключен напрямую в SKR на ось Z,
Работает ШД 2 - подключен во второй разъем (М2) EXP MOT.
ШД 3 и 4 подключены в разъем М1 и М3 в EXP MOT, но не работают.
Буду очень благодарен, если будут идеи и предложения.
Прошивка Марлин версии 2:
Configuration_adv.h
#define NUM_Z_STEPPER_DRIVERS 4
Configuration.h
#define X_DRIVER_TYPE TMC2208_STANDALONE
#define Y_DRIVER_TYPE TMC2208_STANDALONE
#define Z_DRIVER_TYPE TMC2208_STANDALONE
#define Z2_DRIVER_TYPE TMC2208_STANDALONE
#define Z3_DRIVER_TYPE TMC2208_STANDALONE
#define Z4_DRIVER_TYPE TMC2208_STANDALONE
#define E0_DRIVER_TYPE TMC2208_STANDALONE
Назначение пинов в закладке платы:
#define Z_STEP_PIN P0_22
#define Z_DIR_PIN P2_11
#define Z_ENABLE_PIN P0_21
#ifndef Z_CS_PIN
#define Z_CS_PIN P1_08
#endif
#define Z2_STEP_PIN P0_18
#define Z2_DIR_PIN P3_25
#define Z2_ENABLE_PIN P1_31
#define Z3_STEP_PIN P3_26
#define Z3_DIR_PIN P0_16
#define Z3_ENABLE_PIN P1_23
#define Z4_STEP_PIN P0_17
#define Z4_DIR_PIN P0_15
#define Z4_ENABLE_PIN P1_22
- Alex Post
- Сообщения: 7028
- Зарегистрирован: 11 янв 2017, 17:22
- Имя: Александр
- Откуда: Брест, РБ
- Благодарил (а): 333 раза
- Поблагодарили: 822 раза
- Контактная информация:
Re: 4 двигателя на ось Z
А Марлин точно умеет шевелить четырьмя z моторами сразу?
Prusa i3 rework - трудится с 2015 года
Черно-оранжевый 3D-SPrinter 232 - https://3deshnik.ru/forum/viewtopic.php?f=21&t=393
Черно-оранжевый 3D-SPrinter 232 - https://3deshnik.ru/forum/viewtopic.php?f=21&t=393
Re: 4 двигателя на ось Z
Хороший вопрос. Пытаюсь это выяснить. Судя по прошивке можно назначить на Z 4 драйвера:
#define X_DRIVER_TYPE TMC2208_STANDALONE
#define Y_DRIVER_TYPE TMC2208_STANDALONE
#define Z_DRIVER_TYPE TMC2208_STANDALONE
//#define X2_DRIVER_TYPE TMC2208_STANDALONE
//#define Y2_DRIVER_TYPE TMC2208_STANDALONE
#define Z2_DRIVER_TYPE TMC2208_STANDALONE
#define Z3_DRIVER_TYPE TMC2208_STANDALONE
#define Z4_DRIVER_TYPE TMC2208_STANDALONE
#define E0_DRIVER_TYPE TMC2208_STANDALONE
//#define E1_DRIVER_TYPE TMC2208_STANDALONE
//#define E2_DRIVER_TYPE TMC2208_STANDALONE
//#define E3_DRIVER_TYPE TMC2208_STANDALONE
//#define E4_DRIVER_TYPE TMC2208_STANDALONE
//#define E5_DRIVER_TYPE TMC2208_STANDALONE
//#define E6_DRIVER_TYPE TMC2208_STANDALONE
//#define E7_DRIVER_TYPE TMC2208_STANDALONE
#define X_DRIVER_TYPE TMC2208_STANDALONE
#define Y_DRIVER_TYPE TMC2208_STANDALONE
#define Z_DRIVER_TYPE TMC2208_STANDALONE
//#define X2_DRIVER_TYPE TMC2208_STANDALONE
//#define Y2_DRIVER_TYPE TMC2208_STANDALONE
#define Z2_DRIVER_TYPE TMC2208_STANDALONE
#define Z3_DRIVER_TYPE TMC2208_STANDALONE
#define Z4_DRIVER_TYPE TMC2208_STANDALONE
#define E0_DRIVER_TYPE TMC2208_STANDALONE
//#define E1_DRIVER_TYPE TMC2208_STANDALONE
//#define E2_DRIVER_TYPE TMC2208_STANDALONE
//#define E3_DRIVER_TYPE TMC2208_STANDALONE
//#define E4_DRIVER_TYPE TMC2208_STANDALONE
//#define E5_DRIVER_TYPE TMC2208_STANDALONE
//#define E6_DRIVER_TYPE TMC2208_STANDALONE
//#define E7_DRIVER_TYPE TMC2208_STANDALONE
- antobel
- Сообщения: 1327
- Зарегистрирован: 06 июл 2017, 20:36
- Имя: Антон
- Откуда: з Владимирщины
- Благодарил (а): 43 раза
- Поблагодарили: 83 раза
- Контактная информация:
Re: 4 двигателя на ось Z
Блин... нет чтоб 4-мя ремнями двигать... воблинг аж от 4 винтов... По мне так изврат полный,
да и то полметровый стол катать...
Есть конечно вариант что автору интересен эксперимент как таковой, но по опыту увы на это надежды мало - всё железо уже обговорено...
да и то полметровый стол катать...
Есть конечно вариант что автору интересен эксперимент как таковой, но по опыту увы на это надежды мало - всё железо уже обговорено...
Собрал три Sprinter"а, и один разобрал, FriBot-Max-Pro так и не собрал, собираю 2626 техно...
Re: 4 двигателя на ось Z
ну уж если охото 4 винтa, то можно и одним мотором обойтись ,соеденив всё ремнём, на Prusa я соединял два винта на Z зубчатым ремнём
- antobel
- Сообщения: 1327
- Зарегистрирован: 06 июл 2017, 20:36
- Имя: Антон
- Откуда: з Владимирщины
- Благодарил (а): 43 раза
- Поблагодарили: 83 раза
- Контактная информация:
Re: 4 двигателя на ось Z
Это я и имел ввиду что мотор 1. и редуктор в помощь - на Z скорость не критична...
Но воблинг от 4 винтов всяко не есть гут.
Собрал три Sprinter"а, и один разобрал, FriBot-Max-Pro так и не собрал, собираю 2626 техно...
- Alex Post
- Сообщения: 7028
- Зарегистрирован: 11 янв 2017, 17:22
- Имя: Александр
- Откуда: Брест, РБ
- Благодарил (а): 333 раза
- Поблагодарили: 822 раза
- Контактная информация:
Re: 4 двигателя на ось Z
Четыре мотора по углам ставить я вижу целесообразность только в одном случае: если ими делать автовыравнивание стола. Я почему то сразу на это подумал, когда HCDKutber стал подводить к каждому индивидуальные step/dir Если же такой задачи не стоит - просто распараллелить сигналы на четыре драйвера и не дурить голову. Хотя проблем у такого решения больше чем плюсов.
Prusa i3 rework - трудится с 2015 года
Черно-оранжевый 3D-SPrinter 232 - https://3deshnik.ru/forum/viewtopic.php?f=21&t=393
Черно-оранжевый 3D-SPrinter 232 - https://3deshnik.ru/forum/viewtopic.php?f=21&t=393
- Alex Post
- Сообщения: 7028
- Зарегистрирован: 11 янв 2017, 17:22
- Имя: Александр
- Откуда: Брест, РБ
- Благодарил (а): 333 раза
- Поблагодарили: 822 раза
- Контактная информация:
Re: 4 двигателя на ось Z
Винты то разные бывают. Можно поставить, к примеру, швп в опорах и использовать сразу и как направляйки. Дорого, но вполне работоспособно. На обычных T винтах тоже можно, если отобрать ровные, предусмотреть возможность юстировки и немного повозиться.
Prusa i3 rework - трудится с 2015 года
Черно-оранжевый 3D-SPrinter 232 - https://3deshnik.ru/forum/viewtopic.php?f=21&t=393
Черно-оранжевый 3D-SPrinter 232 - https://3deshnik.ru/forum/viewtopic.php?f=21&t=393
- Alex Post
- Сообщения: 7028
- Зарегистрирован: 11 янв 2017, 17:22
- Имя: Александр
- Откуда: Брест, РБ
- Благодарил (а): 333 раза
- Поблагодарили: 822 раза
- Контактная информация:
Re: 4 двигателя на ось Z
А конкретнее, что именно за плата? Может в пинах ошибка.
Prusa i3 rework - трудится с 2015 года
Черно-оранжевый 3D-SPrinter 232 - https://3deshnik.ru/forum/viewtopic.php?f=21&t=393
Черно-оранжевый 3D-SPrinter 232 - https://3deshnik.ru/forum/viewtopic.php?f=21&t=393
- 3D-SPrinter
- Сообщения: 11032
- Зарегистрирован: 19 ноя 2015, 14:23
- Имя: Андрей
- Откуда: Н.Новгород
- Благодарил (а): 78 раз
- Поблагодарили: 1040 раз
- Контактная информация:
Re: 4 двигателя на ось Z
Пробовал года три назад - не взлетело. Воблинг от винтов дикий. Стол был на двух качественных SFU1204 вместо валов, на верхних и нижних опорах с ремённым приводом. Волна 4 мм была чётко видна на печати. При том это был не какой-то жалкий воблинг, а конкретная такая волна точно по шагу резьбы.
Re: 4 двигателя на ось Z
Alex Post, Вы поняли все верно - действительно автовыравнивание. Стол большой, тяжелый и прыгать от угла к углу с "бумажкой" не технологично. Сейчас уже стоит четыре двигателя распараллеленные на два драйвера. Про плату писал в первом посте SKR 1.4 turbo + MOT EXP 1.
Проблема точно в распиновке, но где конкретно - не понимаю. Распиновка управляющей платы и EXP MOT от производителя в первом посте, я дорисовал только проводники от расширения до платы управления. Красные проводники - это DIR, синие проводники это STP, зеленые EN.
Соответственно в прошивке пишем так:
#define Z2_STEP_PIN P0_18
#define Z2_DIR_PIN P3_25
#define Z2_ENABLE_PIN P1_31
#define Z3_STEP_PIN P3_26
#define Z3_DIR_PIN P0_16
#define Z3_ENABLE_PIN P1_23
#define Z4_STEP_PIN P0_17
#define Z4_DIR_PIN P0_15
#define Z4_ENABLE_PIN P1_22
При этом получается, что работает только 1 двигатель (Z2). Остальные стучат с постоянным интервалом, но не двигаются.
На другом форуме коллеги предложили такую распиновку (утверждают что проверяли тестером), но я честно говоря ее не понял:
#define Z2_STEP_PIN P1_21
#define Z2_DIR_PIN P1_19
#define Z2_ENABLE_PIN P1_18
TmcUart = 3.25 (где это прописывается в марлине - вообще не нашел)
#define Z3_STEP_PIN P1_20
#define Z3_DIR_PIN P1_22
#define Z3_ENABLE_PIN P1_23
TmcUart = 3.26 (где это прописывается в марлине - вообще не нашел)
В этом случае не работает вообще ни 1 двигатель - все только страшно резонирует и гудит при включении.
antobel, стол большой и тяжелый. Сейчас в конструкции на высоте метра воблинга нет. Ставить редуктор для ремней - дорого, печатный редуктор - не даст удовлетворительной точности, ставить более мощные двигатели и менять всю электронику - экономически не целесообразно. Никаких систем "талей", отработанных в FDM печати не нашел, еще когда только начинал разработку FDM, поэтому использовал однозаходные винты с шагом в 2 мм.
Проблема точно в распиновке, но где конкретно - не понимаю. Распиновка управляющей платы и EXP MOT от производителя в первом посте, я дорисовал только проводники от расширения до платы управления. Красные проводники - это DIR, синие проводники это STP, зеленые EN.
Соответственно в прошивке пишем так:
#define Z2_STEP_PIN P0_18
#define Z2_DIR_PIN P3_25
#define Z2_ENABLE_PIN P1_31
#define Z3_STEP_PIN P3_26
#define Z3_DIR_PIN P0_16
#define Z3_ENABLE_PIN P1_23
#define Z4_STEP_PIN P0_17
#define Z4_DIR_PIN P0_15
#define Z4_ENABLE_PIN P1_22
При этом получается, что работает только 1 двигатель (Z2). Остальные стучат с постоянным интервалом, но не двигаются.
На другом форуме коллеги предложили такую распиновку (утверждают что проверяли тестером), но я честно говоря ее не понял:
#define Z2_STEP_PIN P1_21
#define Z2_DIR_PIN P1_19
#define Z2_ENABLE_PIN P1_18
TmcUart = 3.25 (где это прописывается в марлине - вообще не нашел)
#define Z3_STEP_PIN P1_20
#define Z3_DIR_PIN P1_22
#define Z3_ENABLE_PIN P1_23
TmcUart = 3.26 (где это прописывается в марлине - вообще не нашел)
В этом случае не работает вообще ни 1 двигатель - все только страшно резонирует и гудит при включении.
antobel, стол большой и тяжелый. Сейчас в конструкции на высоте метра воблинга нет. Ставить редуктор для ремней - дорого, печатный редуктор - не даст удовлетворительной точности, ставить более мощные двигатели и менять всю электронику - экономически не целесообразно. Никаких систем "талей", отработанных в FDM печати не нашел, еще когда только начинал разработку FDM, поэтому использовал однозаходные винты с шагом в 2 мм.
- Alex Post
- Сообщения: 7028
- Зарегистрирован: 11 янв 2017, 17:22
- Имя: Александр
- Откуда: Брест, РБ
- Благодарил (а): 333 раза
- Поблагодарили: 822 раза
- Контактная информация:
Re: 4 двигателя на ось Z
Ну т.е. консольно висел. А тут по углам. Может и взлетит.
Prusa i3 rework - трудится с 2015 года
Черно-оранжевый 3D-SPrinter 232 - https://3deshnik.ru/forum/viewtopic.php?f=21&t=393
Черно-оранжевый 3D-SPrinter 232 - https://3deshnik.ru/forum/viewtopic.php?f=21&t=393
Re: 4 двигателя на ось Z
Прозвонил от драйверов до входа с платы SKR. Первая распиновка правильная. Удалось найти пин UART. Буду сносить марлин и формировать по новой. Возможно где ошибка в прошивке.
- Alex Post
- Сообщения: 7028
- Зарегистрирован: 11 янв 2017, 17:22
- Имя: Александр
- Откуда: Брест, РБ
- Благодарил (а): 333 раза
- Поблагодарили: 822 раза
- Контактная информация:
Re: 4 двигателя на ось Z
Это может говорить о том что перепутаны обмотки. Либо перепутаны степ и к примеру енабле. Вот их и "енаблит" постоянно. Это как версия.
Prusa i3 rework - трудится с 2015 года
Черно-оранжевый 3D-SPrinter 232 - https://3deshnik.ru/forum/viewtopic.php?f=21&t=393
Черно-оранжевый 3D-SPrinter 232 - https://3deshnik.ru/forum/viewtopic.php?f=21&t=393
- 3D-SPrinter
- Сообщения: 11032
- Зарегистрирован: 19 ноя 2015, 14:23
- Имя: Андрей
- Откуда: Н.Новгород
- Благодарил (а): 78 раз
- Поблагодарили: 1040 раз
- Контактная информация:
