Обсуждение сварщика из темы PetPull
Модератор: Robert Sa
-
Robert Sa
- Сообщения: 578
- Зарегистрирован: 30 май 2017, 14:20
- Имя: Robert
- Откуда: Ереван
- Благодарил (а): 42 раза
- Поблагодарили: 62 раза
- Контактная информация:
Re: PetPull - cтанок для производства филамента из PET бутылок
автомат сварки ПЭТ в прогрессе:))
- Вложения
-
- cats.jpg (152.32 КБ) 2345 просмотров
3д Printer 3D-OPEX-G3
Format: A4
Разрешение: 50 микрон
Крейсерские скорости печати: 110,200,250мм/сек
Hotend: Nautilus-1D (водяное охлаждение)
Сопло: 0,35mm
Сеть поддержка: IP, WiFi,client Octoprint(modified)
Format: A4
Разрешение: 50 микрон
Крейсерские скорости печати: 110,200,250мм/сек
Hotend: Nautilus-1D (водяное охлаждение)
Сопло: 0,35mm
Сеть поддержка: IP, WiFi,client Octoprint(modified)
Re: PetPull - cтанок для производства филамента из PET бутылок
Осмелюсь предложить чуть усложнить алгоритм с повышением качества сварного шва, так как это делается на автоматических сварочниках оптоволокна (там никаких шарошек нет и в помине):Robert Sa писал(а): ↑09 авг 2020, 17:346. Срабатывает нагреватель на 3- 5 секунд ( отключение управляется таймером) , ШД начинают медленно приближать торцы двух кусков филамента, на 1,5мм
7. Филамент после сварки поступает в вставку из скажем дерева которая справа от нагревателя (длина 10мм) он надевается на латунную трубку правого двигателя по входу
8. Горячая часть сваренного стыка заходит в латунную трубку ШД ( она будет с обдувом от аквариумного компрессора, и он тоже будет включаться в данной фазе работы автомата)
...нити подводятся на предсварочное расстояние
6а. включается нагрев зоны расплава на .... сек
6б. сближение нитей до слипания с небольшим "передавом"
6в. миниоткат для растягивания сварочной "юбки" до номинального диаметра нити
А вот быстрое охлаждение можно попробовать обеспечить продувкой потока воздуха вдоль оси нити (предварительно накачать мячик и открывать электроклапан). Температура воздуха обычно не более 30С, чем не остудитель? Причём безо всяких смещений свариваемого материала до затвердения.
-
Robert Sa
- Сообщения: 578
- Зарегистрирован: 30 май 2017, 14:20
- Имя: Robert
- Откуда: Ереван
- Благодарил (а): 42 раза
- Поблагодарили: 62 раза
- Контактная информация:
Re: PetPull - cтанок для производства филамента из PET бутылок
кажется закончил программирование сварщика ПЭТ ! завтра тесты на стенде самого исполнения алго!
Текущий алго робота сварщика таков:
1. Жмём кнопку старт и ШД 1 начинает вращаться и доставлять филамент до концевика
2. Замыкание концевика приводит в движение так же ШД2 Оба двигателя тянут филамент( прогон всей длины куска до 20м через сварщик)
3. Как концевик разомкнётся: ШД1 вырубается а ШД2 продолжает вращение , но в медленном режиме и доставляет нить на 24мм, устанавливает под нагреватель
4. Ждём, пока ШД2 дотянет филамент до середины нагревателя( показан выше, он из медного провода)
5. Нажимается второй раз кнопка старт и второй раз вкл. только ШД1
6. ждём, пока доставляет второй конец нити под нагреватель - в торец уже существующей там нити
7. вкл. нагреватель на 5 сек через РЕЛЕ 1( сближение филамента на 0,5-1.5мм нити посредством ШД1)
8. Вкл. аквариумный компрессор воздуха через РЕЛЕ2 на 10 сек
9. оба двигателя начинают медленно вращаться и вводят спаянный узелок через калибр из PEEK полимера в Ф1,8мм в охладитель медленно на 10 сек( в течении 10 сек филамент двигается вперед в канале с обдувом)
10. По истечению 10 сек оба двигателя начинают быстрое вращения и перемещают 7,5м нити через весь канал
11. срабатывает концевик на входе и ШД 1 останавливается а ШД 2 продолжает работу на медленной скорости до исполнения 60мм
12. Нить останавливается в середине нагревателя и ждет нажатие кнопки старт для осуществления следующего повторяющегося цикла с пунка 5.
Процесс заканчивается или перезаряжается с нуля путем кнопки сброса Uno
После компиляции:
Sketch uses 8300 bytes (25%) of program storage space. Maximum is 32256 bytes.
Global variables use 406 bytes (19%) of dynamic memory, leaving 1642 bytes for local variables. Maximum is 2048 bytes.
Текущий алго робота сварщика таков:
1. Жмём кнопку старт и ШД 1 начинает вращаться и доставлять филамент до концевика
2. Замыкание концевика приводит в движение так же ШД2 Оба двигателя тянут филамент( прогон всей длины куска до 20м через сварщик)
3. Как концевик разомкнётся: ШД1 вырубается а ШД2 продолжает вращение , но в медленном режиме и доставляет нить на 24мм, устанавливает под нагреватель
4. Ждём, пока ШД2 дотянет филамент до середины нагревателя( показан выше, он из медного провода)
5. Нажимается второй раз кнопка старт и второй раз вкл. только ШД1
6. ждём, пока доставляет второй конец нити под нагреватель - в торец уже существующей там нити
7. вкл. нагреватель на 5 сек через РЕЛЕ 1( сближение филамента на 0,5-1.5мм нити посредством ШД1)
8. Вкл. аквариумный компрессор воздуха через РЕЛЕ2 на 10 сек
9. оба двигателя начинают медленно вращаться и вводят спаянный узелок через калибр из PEEK полимера в Ф1,8мм в охладитель медленно на 10 сек( в течении 10 сек филамент двигается вперед в канале с обдувом)
10. По истечению 10 сек оба двигателя начинают быстрое вращения и перемещают 7,5м нити через весь канал
11. срабатывает концевик на входе и ШД 1 останавливается а ШД 2 продолжает работу на медленной скорости до исполнения 60мм
12. Нить останавливается в середине нагревателя и ждет нажатие кнопки старт для осуществления следующего повторяющегося цикла с пунка 5.
Процесс заканчивается или перезаряжается с нуля путем кнопки сброса Uno
После компиляции:
Sketch uses 8300 bytes (25%) of program storage space. Maximum is 32256 bytes.
Global variables use 406 bytes (19%) of dynamic memory, leaving 1642 bytes for local variables. Maximum is 2048 bytes.
- Вложения
-
- cats.jpg (30.48 КБ) 2492 просмотра
-
- cats.jpg (84.39 КБ) 2497 просмотров
3д Printer 3D-OPEX-G3
Format: A4
Разрешение: 50 микрон
Крейсерские скорости печати: 110,200,250мм/сек
Hotend: Nautilus-1D (водяное охлаждение)
Сопло: 0,35mm
Сеть поддержка: IP, WiFi,client Octoprint(modified)
Format: A4
Разрешение: 50 микрон
Крейсерские скорости печати: 110,200,250мм/сек
Hotend: Nautilus-1D (водяное охлаждение)
Сопло: 0,35mm
Сеть поддержка: IP, WiFi,client Octoprint(modified)
-
Robert Sa
- Сообщения: 578
- Зарегистрирован: 30 май 2017, 14:20
- Имя: Robert
- Откуда: Ереван
- Благодарил (а): 42 раза
- Поблагодарили: 62 раза
- Контактная информация:
Re: PetPull - cтанок для производства филамента из PET бутылок
Алго робота сварщика ПЭТ заработал успешно!
https://youtu.be/hQL4MX_-s6A
https://youtu.be/x6YKrb_pDJ4
Теперь остается все за малым - его надо напечатать,собрать в кучу и сделать тонкие настройки:)
https://youtu.be/hQL4MX_-s6A
https://youtu.be/x6YKrb_pDJ4
Теперь остается все за малым - его надо напечатать,собрать в кучу и сделать тонкие настройки:)
3д Printer 3D-OPEX-G3
Format: A4
Разрешение: 50 микрон
Крейсерские скорости печати: 110,200,250мм/сек
Hotend: Nautilus-1D (водяное охлаждение)
Сопло: 0,35mm
Сеть поддержка: IP, WiFi,client Octoprint(modified)
Format: A4
Разрешение: 50 микрон
Крейсерские скорости печати: 110,200,250мм/сек
Hotend: Nautilus-1D (водяное охлаждение)
Сопло: 0,35mm
Сеть поддержка: IP, WiFi,client Octoprint(modified)
-
Robert Sa
- Сообщения: 578
- Зарегистрирован: 30 май 2017, 14:20
- Имя: Robert
- Откуда: Ереван
- Благодарил (а): 42 раза
- Поблагодарили: 62 раза
- Контактная информация:
Re: PetPull - cтанок для производства филамента из PET бутылок
Дизайн сварщика в прогрессе, пока решил иди без сопла у нагревателя.
Там будет медная тонкая гильза. Надеюсь за 5 сек не нагреется и не расплавит держалку канала:)
Пока идет тестовая печать канала, примерка сухой монтаж, выявление ошибок итд.
В каждом сегменте канала 3 гильзы. Датчик физический микрик, миниатюрный. Думаю они есть в ПК мышках.
Там будет медная тонкая гильза. Надеюсь за 5 сек не нагреется и не расплавит держалку канала:)
Пока идет тестовая печать канала, примерка сухой монтаж, выявление ошибок итд.
В каждом сегменте канала 3 гильзы. Датчик физический микрик, миниатюрный. Думаю они есть в ПК мышках.
- Вложения
-
- g8.jpg (51.19 КБ) 2356 просмотров
-
- Г7.jpg (190.51 КБ) 2357 просмотров
3д Printer 3D-OPEX-G3
Format: A4
Разрешение: 50 микрон
Крейсерские скорости печати: 110,200,250мм/сек
Hotend: Nautilus-1D (водяное охлаждение)
Сопло: 0,35mm
Сеть поддержка: IP, WiFi,client Octoprint(modified)
Format: A4
Разрешение: 50 микрон
Крейсерские скорости печати: 110,200,250мм/сек
Hotend: Nautilus-1D (водяное охлаждение)
Сопло: 0,35mm
Сеть поддержка: IP, WiFi,client Octoprint(modified)
-
Robert Sa
- Сообщения: 578
- Зарегистрирован: 30 май 2017, 14:20
- Имя: Robert
- Откуда: Ереван
- Благодарил (а): 42 раза
- Поблагодарили: 62 раза
- Контактная информация:
Re: PetPull - cтанок для производства филамента из PET бутылок
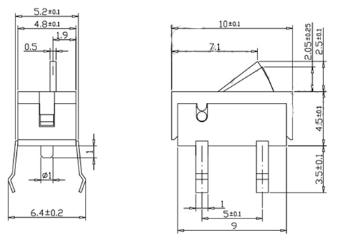
Использую почти такой же микрик. Нормально и четко отрабатывает. Если найдете у вас в барахле такое для повтора то будет интересно узнать его размеры у вас для исправления гнезда посадки в стл.
Главное, чтоб конструкция кнопки совпала да и размеры тоже были похожи на показанные ниже
https://aliexpress.ru/item/32859796444.html
или
https://aliexpress.ru/item/4001014776097.htm (KFC-W-10F)
Главное, чтоб конструкция кнопки совпала да и размеры тоже были похожи на показанные ниже
https://aliexpress.ru/item/32859796444.html
или
https://aliexpress.ru/item/4001014776097.htm (KFC-W-10F)
- Вложения
-
- cats.jpg (71.08 КБ) 2337 просмотров
-
- cats.jpg (32.38 КБ) 2338 просмотров
-
- cats.jpg (45.76 КБ) 2339 просмотров
-
- cats.jpg (51.59 КБ) 2339 просмотров
3д Printer 3D-OPEX-G3
Format: A4
Разрешение: 50 микрон
Крейсерские скорости печати: 110,200,250мм/сек
Hotend: Nautilus-1D (водяное охлаждение)
Сопло: 0,35mm
Сеть поддержка: IP, WiFi,client Octoprint(modified)
Format: A4
Разрешение: 50 микрон
Крейсерские скорости печати: 110,200,250мм/сек
Hotend: Nautilus-1D (водяное охлаждение)
Сопло: 0,35mm
Сеть поддержка: IP, WiFi,client Octoprint(modified)
-
Robert Sa
- Сообщения: 578
- Зарегистрирован: 30 май 2017, 14:20
- Имя: Robert
- Откуда: Ереван
- Благодарил (а): 42 раза
- Поблагодарили: 62 раза
- Контактная информация:
Re: PetPull - cтанок для производства филамента из PET бутылок
Получил эту омегу в роли нагревателя из меди,будет закреплена на керамической плитке, а контакты толстым медным мягким многожильным проводом к паяльнику.
Тут диаметр отверстия 2мм, видимо надо будет делать 2,5 -3мм практика покажет, но 2мм маловато, в него надо еще и попасть и не касаться стенок нагревателя:)))
Тут диаметр отверстия 2мм, видимо надо будет делать 2,5 -3мм практика покажет, но 2мм маловато, в него надо еще и попасть и не касаться стенок нагревателя:)))
- Вложения
-
- cats.jpg (152.82 КБ) 2370 просмотров
3д Printer 3D-OPEX-G3
Format: A4
Разрешение: 50 микрон
Крейсерские скорости печати: 110,200,250мм/сек
Hotend: Nautilus-1D (водяное охлаждение)
Сопло: 0,35mm
Сеть поддержка: IP, WiFi,client Octoprint(modified)
Format: A4
Разрешение: 50 микрон
Крейсерские скорости печати: 110,200,250мм/сек
Hotend: Nautilus-1D (водяное охлаждение)
Сопло: 0,35mm
Сеть поддержка: IP, WiFi,client Octoprint(modified)
-
Robert Sa
- Сообщения: 578
- Зарегистрирован: 30 май 2017, 14:20
- Имя: Robert
- Откуда: Ереван
- Благодарил (а): 42 раза
- Поблагодарили: 62 раза
- Контактная информация:
Re: PetPull - cтанок для производства филамента из PET бутылок
Вот почему 3д печать рулит:)
Вот такой вот холодильник будет у робота сварщика ПЭТ нити.
Вот такой вот холодильник будет у робота сварщика ПЭТ нити.
- Вложения
-
- cats.jpg (78.26 КБ) 2362 просмотра
-
- cats.jpg (263.54 КБ) 2362 просмотра
3д Printer 3D-OPEX-G3
Format: A4
Разрешение: 50 микрон
Крейсерские скорости печати: 110,200,250мм/сек
Hotend: Nautilus-1D (водяное охлаждение)
Сопло: 0,35mm
Сеть поддержка: IP, WiFi,client Octoprint(modified)
Format: A4
Разрешение: 50 микрон
Крейсерские скорости печати: 110,200,250мм/сек
Hotend: Nautilus-1D (водяное охлаждение)
Сопло: 0,35mm
Сеть поддержка: IP, WiFi,client Octoprint(modified)
-
Robert Sa
- Сообщения: 578
- Зарегистрирован: 30 май 2017, 14:20
- Имя: Robert
- Откуда: Ереван
- Благодарил (а): 42 раза
- Поблагодарили: 62 раза
- Контактная информация:
Re: PetPull - cтанок для производства филамента из PET бутылок
Потихонечку иду вперед:)
- Вложения
-
- cats.jpg (44 КБ) 2336 просмотров
3д Printer 3D-OPEX-G3
Format: A4
Разрешение: 50 микрон
Крейсерские скорости печати: 110,200,250мм/сек
Hotend: Nautilus-1D (водяное охлаждение)
Сопло: 0,35mm
Сеть поддержка: IP, WiFi,client Octoprint(modified)
Format: A4
Разрешение: 50 микрон
Крейсерские скорости печати: 110,200,250мм/сек
Hotend: Nautilus-1D (водяное охлаждение)
Сопло: 0,35mm
Сеть поддержка: IP, WiFi,client Octoprint(modified)
-
Robert Sa
- Сообщения: 578
- Зарегистрирован: 30 май 2017, 14:20
- Имя: Robert
- Откуда: Ереван
- Благодарил (а): 42 раза
- Поблагодарили: 62 раза
- Контактная информация:
Re: PetPull - cтанок для производства филамента из PET бутылок
Разобрался с epprom сварщика:)))
теперь можно будет со спокойной совестью иди спать, есть доступ к переменным сварщика без перезаписи UNO:))
Поломал "палку" пополам, но сделал его универсальным для каждого полимера:)))) Остаются, как всегда - ТЕСТЫ и точные настройки.
после этого напишу инструкцию к применению!
Zneipas, Огромное Спасибо за дидактическую помощь в написании кода обращения в Epprom 328 чипа брат, ты как всегда - супер!!!
теперь можно будет со спокойной совестью иди спать, есть доступ к переменным сварщика без перезаписи UNO:))
Поломал "палку" пополам, но сделал его универсальным для каждого полимера:)))) Остаются, как всегда - ТЕСТЫ и точные настройки.
после этого напишу инструкцию к применению!
Zneipas, Огромное Спасибо за дидактическую помощь в написании кода обращения в Epprom 328 чипа брат, ты как всегда - супер!!!
3д Printer 3D-OPEX-G3
Format: A4
Разрешение: 50 микрон
Крейсерские скорости печати: 110,200,250мм/сек
Hotend: Nautilus-1D (водяное охлаждение)
Сопло: 0,35mm
Сеть поддержка: IP, WiFi,client Octoprint(modified)
Format: A4
Разрешение: 50 микрон
Крейсерские скорости печати: 110,200,250мм/сек
Hotend: Nautilus-1D (водяное охлаждение)
Сопло: 0,35mm
Сеть поддержка: IP, WiFi,client Octoprint(modified)
-
Robert Sa
- Сообщения: 578
- Зарегистрирован: 30 май 2017, 14:20
- Имя: Robert
- Откуда: Ереван
- Благодарил (а): 42 раза
- Поблагодарили: 62 раза
- Контактная информация:
Re: PetPull - cтанок для производства филамента из PET бутылок
16:57:56.609 -> Filament Welder running!
16:57:56.609 -> Current HeaterPreDelay: 5000, HeaterPostDelay: 2000
16:57:56.687 -> Input new delay timings or press enter to continue.
16:57:56.750 -> Format: <HeaterPreDelay> <HeaterPostDelay> (use single space between values)
16:58:26.031 ->
16:58:26.093 -> Successfuly stored new delay values to EEPROM (pre, post): 6000, 5000
16:58:26.140 -> Enter OK (uppercase) to confirm
16:58:34.593 ->
16:58:34.593 -> Confirmation successful, starting welding ...
16:58:34.625 -> Cur step: 1
16:58:41.531 -> Cur step: 2
16:58:45.046 -> Cur step: 3
16:58:48.046 -> Cur step: 4
16:58:48.187 -> Cur step: 5
16:58:53.718 -> Cur step: 6
16:58:53.843 -> Cur step: 7
16:58:58.859 -> Cur step: 8
16:59:00.953 -> Cur step: 9
16:59:00.953 -> Cur step: 10
16:59:00.953 -> Cur step: 11
16:59:10.984 -> Cur step: 12
16:59:14.359 -> Cur step: 13
16:59:14.765 -> All steps complete! Run next.
16:59:14.765 -> Cur step: 5
Работа Epprom, пока полет нормальный:)
сейчас развяжу ПК от железа на 10 сек:)) это чтоб сварщик работал без ПК на последних , предустановленных значениях времени сварки
перехожу на русский понятный язык там где можно, чтоб буржуям мало не показалось:))))
17:12:45.390 -> Сварщик Филамента Включен!
17:12:45.421 -> Current HeaterPreDelay: 6000, HeaterPostDelay: 5000
17:12:45.484 -> Input new delay timings or press enter to continue.
17:12:45.515 -> Format: <HeaterPreDelay> <HeaterPostDelay> (use single space between values)
16:57:56.609 -> Current HeaterPreDelay: 5000, HeaterPostDelay: 2000
16:57:56.687 -> Input new delay timings or press enter to continue.
16:57:56.750 -> Format: <HeaterPreDelay> <HeaterPostDelay> (use single space between values)
16:58:26.031 ->
16:58:26.093 -> Successfuly stored new delay values to EEPROM (pre, post): 6000, 5000
16:58:26.140 -> Enter OK (uppercase) to confirm
16:58:34.593 ->
16:58:34.593 -> Confirmation successful, starting welding ...
16:58:34.625 -> Cur step: 1
16:58:41.531 -> Cur step: 2
16:58:45.046 -> Cur step: 3
16:58:48.046 -> Cur step: 4
16:58:48.187 -> Cur step: 5
16:58:53.718 -> Cur step: 6
16:58:53.843 -> Cur step: 7
16:58:58.859 -> Cur step: 8
16:59:00.953 -> Cur step: 9
16:59:00.953 -> Cur step: 10
16:59:00.953 -> Cur step: 11
16:59:10.984 -> Cur step: 12
16:59:14.359 -> Cur step: 13
16:59:14.765 -> All steps complete! Run next.
16:59:14.765 -> Cur step: 5
Работа Epprom, пока полет нормальный:)
сейчас развяжу ПК от железа на 10 сек:)) это чтоб сварщик работал без ПК на последних , предустановленных значениях времени сварки
перехожу на русский понятный язык там где можно, чтоб буржуям мало не показалось:))))
17:12:45.390 -> Сварщик Филамента Включен!
17:12:45.421 -> Current HeaterPreDelay: 6000, HeaterPostDelay: 5000
17:12:45.484 -> Input new delay timings or press enter to continue.
17:12:45.515 -> Format: <HeaterPreDelay> <HeaterPostDelay> (use single space between values)
Последний раз редактировалось Robert Sa 25 авг 2020, 17:13, всего редактировалось 1 раз.
3д Printer 3D-OPEX-G3
Format: A4
Разрешение: 50 микрон
Крейсерские скорости печати: 110,200,250мм/сек
Hotend: Nautilus-1D (водяное охлаждение)
Сопло: 0,35mm
Сеть поддержка: IP, WiFi,client Octoprint(modified)
Format: A4
Разрешение: 50 микрон
Крейсерские скорости печати: 110,200,250мм/сек
Hotend: Nautilus-1D (водяное охлаждение)
Сопло: 0,35mm
Сеть поддержка: IP, WiFi,client Octoprint(modified)
-
Robert Sa
- Сообщения: 578
- Зарегистрирован: 30 май 2017, 14:20
- Имя: Robert
- Откуда: Ереван
- Благодарил (а): 42 раза
- Поблагодарили: 62 раза
- Контактная информация:
Re: PetPull - cтанок для производства филамента из PET бутылок
Максимальное значение задержки при включении нагревателя робота сварщика 65 сек 535мс в каждой из двух фаз включения.
3д Printer 3D-OPEX-G3
Format: A4
Разрешение: 50 микрон
Крейсерские скорости печати: 110,200,250мм/сек
Hotend: Nautilus-1D (водяное охлаждение)
Сопло: 0,35mm
Сеть поддержка: IP, WiFi,client Octoprint(modified)
Format: A4
Разрешение: 50 микрон
Крейсерские скорости печати: 110,200,250мм/сек
Hotend: Nautilus-1D (водяное охлаждение)
Сопло: 0,35mm
Сеть поддержка: IP, WiFi,client Octoprint(modified)
-
Robert Sa
- Сообщения: 578
- Зарегистрирован: 30 май 2017, 14:20
- Имя: Robert
- Откуда: Ереван
- Благодарил (а): 42 раза
- Поблагодарили: 62 раза
- Контактная информация:
Re: PetPull - cтанок для производства филамента из PET бутылок
Не хватает энергонезависимой памяти балин для русского, так что это все что можно было сделать, ох уж этот 328 чип....
прокрутил все режимы и защиты, что не ясно, напишите пож.
Железо работает как вместе с ПК так и без. Если надо изменить время сварки надо запускать IDE из него серийный монитор и потом перезапустить кнопкой restart Уно плату, подождет 10 сек и перейдет под контроль ПК. Если не подключить ПК то сварщик будет работать без него с прежними/старыми установками/значениями времени нагрева из epprom.
хотел "очеловечить" интерфейс, для всех:)))) как получилось так и получилось, так что простите:)))
Без Serial монитора, не будет никаких вопросов и вводов:)))
https://youtu.be/8d0CR_3wDLQ
прокрутил все режимы и защиты, что не ясно, напишите пож.
Железо работает как вместе с ПК так и без. Если надо изменить время сварки надо запускать IDE из него серийный монитор и потом перезапустить кнопкой restart Уно плату, подождет 10 сек и перейдет под контроль ПК. Если не подключить ПК то сварщик будет работать без него с прежними/старыми установками/значениями времени нагрева из epprom.
хотел "очеловечить" интерфейс, для всех:)))) как получилось так и получилось, так что простите:)))
Без Serial монитора, не будет никаких вопросов и вводов:)))
https://youtu.be/8d0CR_3wDLQ
3д Printer 3D-OPEX-G3
Format: A4
Разрешение: 50 микрон
Крейсерские скорости печати: 110,200,250мм/сек
Hotend: Nautilus-1D (водяное охлаждение)
Сопло: 0,35mm
Сеть поддержка: IP, WiFi,client Octoprint(modified)
Format: A4
Разрешение: 50 микрон
Крейсерские скорости печати: 110,200,250мм/сек
Hotend: Nautilus-1D (водяное охлаждение)
Сопло: 0,35mm
Сеть поддержка: IP, WiFi,client Octoprint(modified)
-
Robert Sa
- Сообщения: 578
- Зарегистрирован: 30 май 2017, 14:20
- Имя: Robert
- Откуда: Ереван
- Благодарил (а): 42 раза
- Поблагодарили: 62 раза
- Контактная информация:
Re: PetPull - cтанок для производства филамента из PET бутылок
Я начал работу в параллель чтоб экономить время над документацией робота. Ниже плата GBRL и Uno с распиновкой под прошивку .
Есть какие либо не понятки коллеги?
Пока думаю как безопасно подключить 12в с платы GBRL на УНО для автономной работы сварщика без подключения USB , это так, к слову "думаю"
Есть какие либо не понятки коллеги?
Пока думаю как безопасно подключить 12в с платы GBRL на УНО для автономной работы сварщика без подключения USB , это так, к слову "думаю"
3д Printer 3D-OPEX-G3
Format: A4
Разрешение: 50 микрон
Крейсерские скорости печати: 110,200,250мм/сек
Hotend: Nautilus-1D (водяное охлаждение)
Сопло: 0,35mm
Сеть поддержка: IP, WiFi,client Octoprint(modified)
Format: A4
Разрешение: 50 микрон
Крейсерские скорости печати: 110,200,250мм/сек
Hotend: Nautilus-1D (водяное охлаждение)
Сопло: 0,35mm
Сеть поддержка: IP, WiFi,client Octoprint(modified)
-
Robert Sa
- Сообщения: 578
- Зарегистрирован: 30 май 2017, 14:20
- Имя: Robert
- Откуда: Ереван
- Благодарил (а): 42 раза
- Поблагодарили: 62 раза
- Контактная информация:
Re: PetPull - cтанок для производства филамента из PET бутылок
https://www.thingiverse.com/thing:846684/files
у кого есть ящик под Uno с gbrl платой , можете поделиться коллеги? Поддержите чуток проектик робота:))
Чет не хочется сочинять 3д велик с нуля...
у кого есть ящик под Uno с gbrl платой , можете поделиться коллеги? Поддержите чуток проектик робота:))
Чет не хочется сочинять 3д велик с нуля...
3д Printer 3D-OPEX-G3
Format: A4
Разрешение: 50 микрон
Крейсерские скорости печати: 110,200,250мм/сек
Hotend: Nautilus-1D (водяное охлаждение)
Сопло: 0,35mm
Сеть поддержка: IP, WiFi,client Octoprint(modified)
Format: A4
Разрешение: 50 микрон
Крейсерские скорости печати: 110,200,250мм/сек
Hotend: Nautilus-1D (водяное охлаждение)
Сопло: 0,35mm
Сеть поддержка: IP, WiFi,client Octoprint(modified)
