Revenger писал(а): ↑24 фев 2019, 11:48
Почему - я не знаю, но факт.
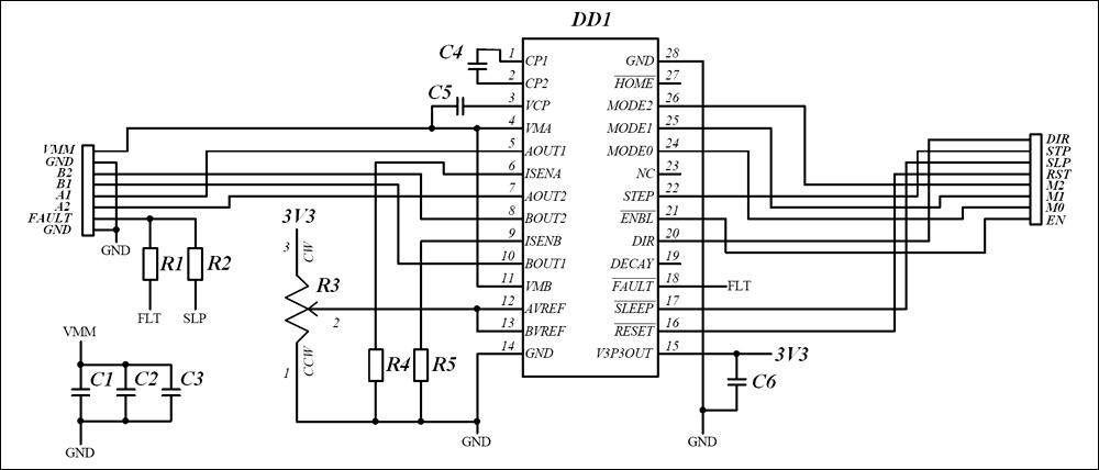
Судя по даташиту на микросхему, питание логики берется с VMOT, там встроен в микросхему источник питания логики. Дальше фаулт это не вход, это выход драйвера! Подавать на него питание абсолютно бесполезно, в лучшем случае ничего не будет работать, в худшем может сдохнуть рампс, точнее его стаб, либо микруха драйвера. Но следуя здравой логике, питание с рампс должно подаваться именно на ногу фаулт, тогда для совместимости с тем же А4988 этот вывод если и подключен на плате драйвера к микросхеме, то скорее всего через ограничивающий ток резистор(лично я бы этот вывод микросхемы замкнул бы с выводами слип и резет(либо с одним из них), тогда при перегреве или превышении тока микросхема автоматически уходила бы в резет или слип, само собой в цепь резета и слипа также пришлось бы поставить токоограничивающие резисторы, чтобы не перегружать лапки контроллера рампс), на входах резет и слип надо смотреть, но судя по всему нет подтяжки к питанию, поэтому подача +5В для работы драйвера обязательна, если эти выводы заземлить или оставить неподключенными, то контроллер будет находится либо в резете либо в слипе, само собой работать ничего не будет. Рампс конечно знает, но если подключать драйвер без рампса, то и вывод EN надо замкнуть на землю, либо если используется, то подать на него логический ноль. Тогда драйвер запустится. Вот и все разборки. При желании можете сами поглядеть разводку платы драйвера и срисовать схему, она там простейшая, займет минут десять. Если есть дохлый такой драйвер, можно выпаять микруху и глазами посмотреть на разводку. Чето мне даже самому стало интересно. Правда жертвовать драйвером 8825 что то не очень охото
Revenger писал(а): ↑24 фев 2019, 11:48
5в не подать на ноги ресет/слип
Еще как берет. Только микруха либо спит, либо в состоянии сброса. Отсюда она и не работает. Она и не должна работать, т.к. в принудиловку усыплена или сброшена.
Купил себе танк и никого больше не жалею.