Переделал древний подарочный АНАЛОГОВЫЙ приемник AEG.
Принимал не все станции FM, плохая избираемость, плохая разборчивость звука, а самое главное частоту не держал - частота постоянно уходила.
Хотел сперва спаять на ардуино и FM модуле с экраном..... но потом заказа на АЛИ несколько разных модулей для приемника.... но они пока едут.
А у меня осталось несколько панелек ФМ, МП3 и блютуз..... перебирал из когда делала тюнер для свой системы... И решил поставить оду из таких панелек, которая мне не очень подошла - у неё на экране сбоку псевдо уровень сигнала мигает из полосок и включение плосок на чувствительной системе проходит как слабые щелчки - при включении падает уровень питания, внутри микросхемы и внешним конденсатором это не убирается, а здесь это не слышно.
Было примерно так - только у меня ручки сверху были и ободок на динамике чуть другой формы.

- AEG MR.JPG (47.37 КБ) 3850 просмотров
Я напечатал накладку на 3Д принтере
И стало так

- Приемник 1.JPG (69.44 КБ) 3850 просмотров
Приемник имеет питание от 4 батареек или можно внешний блок питания подключить.... И вот тут засада по применению блютуз фм панельки и дополнительного усилителя мощности для динамика - с питанием получается разнобой, а если городить отдельную стабилизацию, то это дополнительные энерго потери. Или надо весь батарейный отсек переделывать под аккумуляторное питание со свое платой стабилизации...... Короче решил все по другому сделать.
Сама панелька имеет питание 4,7-9 вольт - стабилизатор стоит на 3,3 вольта стоит, а хотел поставить платку цифрового усилителя РАМ8403 - а она не допускает питание выше 5 вольт и просто сгорает. Если подключать к АРДУИНО плате - там есть 5 вольтовый стабилизированный выход и всё хорошо, а тут нужно было бы отдельный стабилизатор городить.....
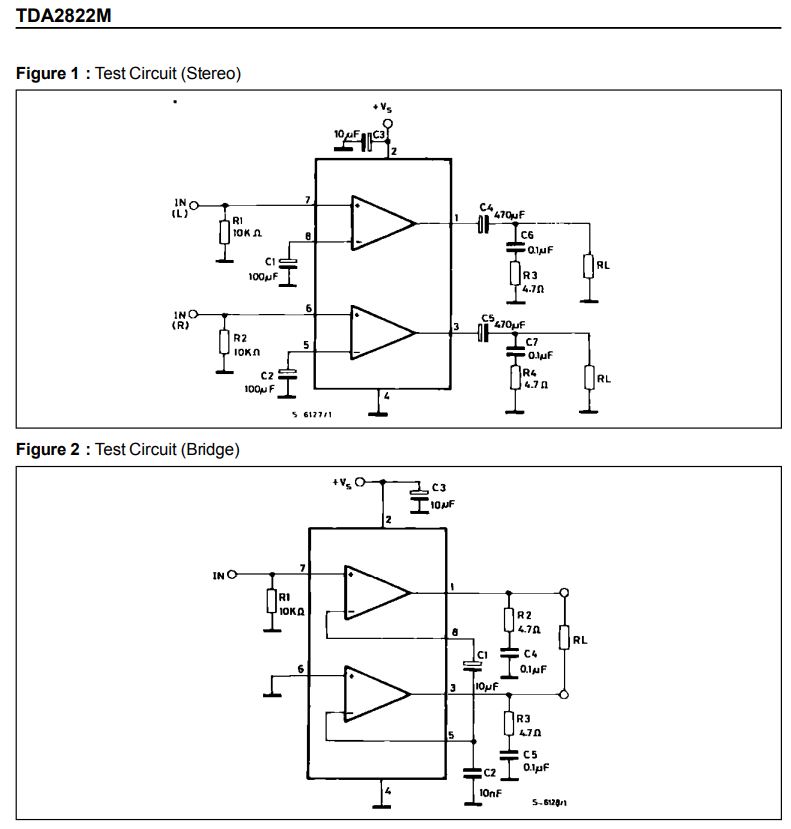
Ну и подумав решил использовать микросхему для усилителя - ту, которая стояла в этом приемнике для усиления- TDA2822m, в мостовом режиме она дает честный 1 ватт на 4 омный динамик при 4,5 вольтах. ЗАТО питание от 1,8 вольта до 15 вольт держит !!!!!...При этом требует минимум радио элементов для обвязки - Я просто отпилил кусочек платы с ней от старой платы приемника ну и электролитические конденсаторы поставил большей емкости и с лучшим ЕSR. А а также керамический разделительный конденсатор на входе заменил на полипропиленовый большей емкости (он резко ухудшал разборчивость звука). Поставил дроссель-тор и дополнительный конденсатор на питание.

- TDA2822m-1.JPG (65.42 КБ) 3850 просмотров
Кстати звук с этой микросхемой для ушей гораздо лучше цифровых усилителей - этот звук можно слушать часами и уши не заворачиваются в трубочку.... Кстати по разборчивости и громкости микросхема достаточно хороша. Пришлось даже сопротивление 30кОм припаять на вход чтобы снизить входной сигнал - слишком большой сигнал и микросхема в защиту выходила... Эти микросхемы во многих аналоговых импортных приемниках стоят - рекомендую их для поделок использовать. Кстати и готовые модули на них есть на Алиэкспрессе стоят столько же как и модуль на РАМ8406.... Только в стерео варианте она в четыре раза менее мощная, чем РАМ8406, но в мостовом варианте на моно она вполне до 2 ватт тянет на 16 омный динамик, а на 4 омный до 1 ватта..... но после половины мощности резко растут искажения.
Ну короб внутри обклеим шумоизоляцией и проложил синтепоном
Прикольно получилось для вечерней равлекухи..... У меня ещё есть несколько старых аналоговых приемников, придут платки дальше поэкспериментирую.