2 года назад собирал себе вот такую "малышку", стерео вполне ощущалось. Аккумулятор внутри на 16,8в 10ач (20ч на средней громкости, 7 часов на максимальной), 9кг, 50х22х29см, 60вт
Звук. Общая тема
Re: Звук. Общая тема
- Alex Post
- Сообщения: 7029
- Зарегистрирован: 11 янв 2017, 17:22
- Имя: Александр
- Откуда: Брест, РБ
- Благодарил (а): 333 раза
- Поблагодарили: 822 раза
- Контактная информация:
Re: Звук. Общая тема
Deemachee, поменьше цитирования. Вполне достаточно, как я оставил.
Prusa i3 rework - трудится с 2015 года
Черно-оранжевый 3D-SPrinter 232 - https://3deshnik.ru/forum/viewtopic.php?f=21&t=393
Черно-оранжевый 3D-SPrinter 232 - https://3deshnik.ru/forum/viewtopic.php?f=21&t=393
- Alex Post
- Сообщения: 7029
- Зарегистрирован: 11 янв 2017, 17:22
- Имя: Александр
- Откуда: Брест, РБ
- Благодарил (а): 333 раза
- Поблагодарили: 822 раза
- Контактная информация:
Re: Звук. Общая тема
У меня обычно для громкой озвучки мероприятий используется.... гитарный комбик
Там даже aux in есть, но можно через 6мм джек и на гитарный вход зацепить. АЧХ конечно не аудиофильская, но орет громко
Большой правда минус - привязан к сети 220в.


Prusa i3 rework - трудится с 2015 года
Черно-оранжевый 3D-SPrinter 232 - https://3deshnik.ru/forum/viewtopic.php?f=21&t=393
Черно-оранжевый 3D-SPrinter 232 - https://3deshnik.ru/forum/viewtopic.php?f=21&t=393
- Lenivo
- Сообщения: 1816
- Зарегистрирован: 25 май 2017, 12:46
- Имя: Александр
- Благодарил (а): 92 раза
- Поблагодарили: 179 раз
Re: Звук. Общая тема
Я вот очередной ламповичок заделал в ретро бюджетном корпусе -Аудиофильский подход, но играет не очень громко....



Однотактный ламповый усилитель SE 6н8с+6п6с
схема и остальные фото в спойлере...
Играет очень приятно, по деньгам не очень дорого, так все трансформаторы самонамотанные.....
- 3D-SPrinter
- Сообщения: 10995
- Зарегистрирован: 19 ноя 2015, 14:23
- Имя: Андрей
- Откуда: Н.Новгород
- Благодарил (а): 78 раз
- Поблагодарили: 1036 раз
- Контактная информация:
Re: Звук. Общая тема
Не знаю, как в практическом плане, но в творческом - отличный проект, поздравляю!


- Lenivo
- Сообщения: 1816
- Зарегистрирован: 25 май 2017, 12:46
- Имя: Александр
- Благодарил (а): 92 раза
- Поблагодарили: 179 раз
Re: Звук. Общая тема
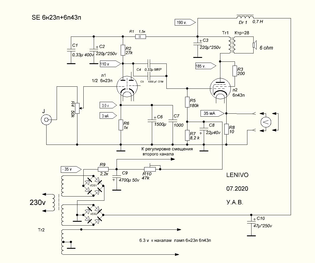
Не помню выкладывал или нет здесь - ламповый усилитель в пластиковом корпусе
Однотактный SE 6н23п+6п43п. Корпус напечатан на 3D-принтере.
Звук получился очень хороший - и это на советских лампах. 6н23п - многие не любят в драйвере, но здесь она очень хорошо встала.
А выходные трансформаторы намотаны на железе от советской связной техники - параметры получились просто, очень хорошие,не смотря на маленькие размеры - индуктивность получилась 20 Генри - а это хорошие низкие частоты, а так как размеры маленькие -это быстрый звук и хорошие высокие частоты..
Остальные подробности со схемой в спойлере.
Пластиковый корпус спокойно выдерживает прослушивание и нагрев в течение 8 часов - нагрев не более 50 градусов на корпусе. А на большее время не включал. Это самый малогабаритный ламповый усилитель из моих поделок с качественным звуком. Делал по размерам и меньше, но потом разбирал, так как не мог получить нормальный звук. Забрал его у меня товарищ - выбирал из трех готовых усилителей -выбрал этот.
Спойлер
Вот так делался корпус - часть напечатана на 3D принтере и просто покрашена из балончика краской.
Однотактный SE 6н23п+6п43п. Корпус напечатан на 3D-принтере.
Звук получился очень хороший - и это на советских лампах. 6н23п - многие не любят в драйвере, но здесь она очень хорошо встала.
А выходные трансформаторы намотаны на железе от советской связной техники - параметры получились просто, очень хорошие,не смотря на маленькие размеры - индуктивность получилась 20 Генри - а это хорошие низкие частоты, а так как размеры маленькие -это быстрый звук и хорошие высокие частоты..
Остальные подробности со схемой в спойлере.
Пластиковый корпус спокойно выдерживает прослушивание и нагрев в течение 8 часов - нагрев не более 50 градусов на корпусе. А на большее время не включал. Это самый малогабаритный ламповый усилитель из моих поделок с качественным звуком. Делал по размерам и меньше, но потом разбирал, так как не мог получить нормальный звук. Забрал его у меня товарищ - выбирал из трех готовых усилителей -выбрал этот.
- 3D-SPrinter
- Сообщения: 10995
- Зарегистрирован: 19 ноя 2015, 14:23
- Имя: Андрей
- Откуда: Н.Новгород
- Благодарил (а): 78 раз
- Поблагодарили: 1036 раз
- Контактная информация:
- Lenivo
- Сообщения: 1816
- Зарегистрирован: 25 май 2017, 12:46
- Имя: Александр
- Благодарил (а): 92 раза
- Поблагодарили: 179 раз
Re: Звук. Общая тема
Дело было вечером. Делать было нечего и чего-то "вдумчивого" не охота.
Валялись разные модули Ардуино и есть старые приемники на ДВ и СВ , которых у нас в городе уже нет. Подумалось использовать корпус приемника для ФМ радио.
Вот нашёл проектик Куча динамиков..... от телевизоров, новых китайских, винтажных европейских, снятых с разных импортных магнитол. Кстати с магнитол под брендовыми названиями очень хорошие динамики.
Проект сделал всё заработало. Но питание 3,3 вольта и +5 вольт взял с ардуино а её запитал через штатный USB разъём.
сперва собрал на одной макетной плате ..... но ловило плохо. Потом разнёс платки ардуино, плату тюнера и усилителя подальше друг от друга и поставил дросселя на питание и дополнительные конденсаторы и звук стал более менее (пока основную систему не включишь) - слушать как то можно .... но надо будет ВЧ шум будет убирать.... На один канал поставил динамик от магнитолы , а на другой канал маленький( типа как вч) динамик от диктофона ..... Так баловство очередное. Дросселя по питанию и дополнительные конденсаторы рулят.
Валялись разные модули Ардуино и есть старые приемники на ДВ и СВ , которых у нас в городе уже нет. Подумалось использовать корпус приемника для ФМ радио.
Вот нашёл проектик Куча динамиков..... от телевизоров, новых китайских, винтажных европейских, снятых с разных импортных магнитол. Кстати с магнитол под брендовыми названиями очень хорошие динамики.
Проект сделал всё заработало. Но питание 3,3 вольта и +5 вольт взял с ардуино а её запитал через штатный USB разъём.
сперва собрал на одной макетной плате ..... но ловило плохо. Потом разнёс платки ардуино, плату тюнера и усилителя подальше друг от друга и поставил дросселя на питание и дополнительные конденсаторы и звук стал более менее (пока основную систему не включишь) - слушать как то можно .... но надо будет ВЧ шум будет убирать.... На один канал поставил динамик от магнитолы , а на другой канал маленький( типа как вч) динамик от диктофона ..... Так баловство очередное. Дросселя по питанию и дополнительные конденсаторы рулят.
- 3D-SPrinter
- Сообщения: 10995
- Зарегистрирован: 19 ноя 2015, 14:23
- Имя: Андрей
- Откуда: Н.Новгород
- Благодарил (а): 78 раз
- Поблагодарили: 1036 раз
- Контактная информация:
Re: Звук. Общая тема
Прикольно!
Я тоже недавно делал приёмничек, только на 5.8 ГГц для домашних видеоочков FPV.
На стандартном модуле RX5808 (за 600 руб. с алишки). Отлично ловит, как ни странно!

Если делать нечего, попробуй, вдруг зацепит?
Четырёхлетней давности обзор, но до сих пор актуально.
И вупчики эти по-прежнему продаются в огромных количествах.
Ну а дальше тема FPV бесконечная...
https://youtu.be/5xSAR2GDeCs?
А это самый толковый блог по гоночным вупчикам http://mcheli.blogspot.com/2020/11/abou ... oop-1.html .
https://youtu.be/AcDDyqaX58g


Я тоже недавно делал приёмничек, только на 5.8 ГГц для домашних видеоочков FPV.
На стандартном модуле RX5808 (за 600 руб. с алишки). Отлично ловит, как ни странно!


Если делать нечего, попробуй, вдруг зацепит?

Четырёхлетней давности обзор, но до сих пор актуально.
И вупчики эти по-прежнему продаются в огромных количествах.
Ну а дальше тема FPV бесконечная...
https://youtu.be/5xSAR2GDeCs?
А это самый толковый блог по гоночным вупчикам http://mcheli.blogspot.com/2020/11/abou ... oop-1.html .
https://youtu.be/AcDDyqaX58g
- AHTOH
- Сообщения: 679
- Зарегистрирован: 19 фев 2020, 21:45
- Имя: Антон
- Откуда: Москва
- Благодарил (а): 51 раз
- Поблагодарили: 40 раз
Re: Звук. Общая тема
Подскажите, кто знает)) Есть два динамика 5 ватт/16 ом и один 10 ватт/8 ом. Встречаются ли на просторах алишки усилки способные полноценно работать с таким трио?
- 3D-SPrinter
- Сообщения: 10995
- Зарегистрирован: 19 ноя 2015, 14:23
- Имя: Андрей
- Откуда: Н.Новгород
- Благодарил (а): 78 раз
- Поблагодарили: 1036 раз
- Контактная информация:
Re: Звук. Общая тема
Да навалом... Вот , например https://aliexpress.ru/item/100500198339 ... 8310625265 .
- AHTOH
- Сообщения: 679
- Зарегистрирован: 19 фев 2020, 21:45
- Имя: Антон
- Откуда: Москва
- Благодарил (а): 51 раз
- Поблагодарили: 40 раз
Re: Звук. Общая тема
15-ти ваттные я видел, но разве он не спалит динамики, если ненароком крутануть ручку?3D-SPrinter писал(а): ↑08 июл 2021, 08:00Да навалом... Вот , например https://aliexpress.ru/item/100500198339 ... 8310625265 .
- 3D-SPrinter
- Сообщения: 10995
- Зарегистрирован: 19 ноя 2015, 14:23
- Имя: Андрей
- Откуда: Н.Новгород
- Благодарил (а): 78 раз
- Поблагодарили: 1036 раз
- Контактная информация:
Re: Звук. Общая тема
Да какие там 15 ватт?..
Это же китайские ватты. И чтобы завалить динамики, нужно их номинальную мощность превысить раз в 10 нормальным усилителем с честным блоком питания. Тут ничего такого и близко не ожидается. Так что кроме мерзких хрипов на полную громкость ничего не грозит. И хрипеть будут, скорее всего, не динамики, а усилитель.

- AHTOH
- Сообщения: 679
- Зарегистрирован: 19 фев 2020, 21:45
- Имя: Антон
- Откуда: Москва
- Благодарил (а): 51 раз
- Поблагодарили: 40 раз
Re: Звук. Общая тема
3D-SPrinter, сомнительно конечно, что там 15 ватт rms. Но перестраховаться никогда не поздно
В общем, с зарплаты надо будет взять на пробу.

- Alex Post
- Сообщения: 7029
- Зарегистрирован: 11 янв 2017, 17:22
- Имя: Александр
- Откуда: Брест, РБ
- Благодарил (а): 333 раза
- Поблагодарили: 822 раза
- Контактная информация:
Re: Звук. Общая тема
Наоборот, лучше иметь запас по мощности, а подстраховаться можно, добавив резистивный делитель по входу усилка. Обычно он там и так есть, так что достаточно просто увеличить сопротивление резистора.
Prusa i3 rework - трудится с 2015 года
Черно-оранжевый 3D-SPrinter 232 - https://3deshnik.ru/forum/viewtopic.php?f=21&t=393
Черно-оранжевый 3D-SPrinter 232 - https://3deshnik.ru/forum/viewtopic.php?f=21&t=393