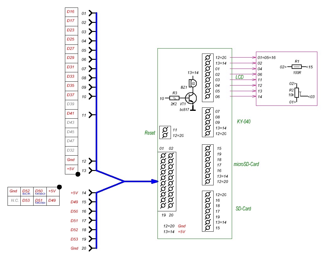
Ну без поллитра схему рогульки не разберёшь - там и нумерация непонятно откуда
и надписи наползают... Так что вот если кому надо - я нарисовал вроде верно...
https://yadi.sk/i/oBU8q7AE3LHFaC
Ну без поллитра схему рогульки не разберёшь - там и нумерация непонятно откуда
Добавил в WIKI https://3deshnik.ru/wiki/index.php/RepR ... B0_antobel
А если не секрет, то ссылку на модель можно?
я ж давал ссылку на тему откуда я брал.https://cloud.mail.ru/public/HTu7/7oGUX1tF3 это ссылка на мой вариант крепление прям на каретку.А если не секрет, то ссылку на модель можно?
ИМЕННО МАКСИМУМ чтобы не задевало за друг друга и соседние элементы...